EasyManua.ls Logo

ABB AC500 PLC - Page 656

ABB AC500 PLC
1315 pages
Print Icon
To Next Page IconTo Next Page
To Next Page IconTo Next Page
To Previous Page IconTo Previous Page
To Previous Page IconTo Previous Page
Loading...
NOTICE!
Risk of damaging the PLC modules!
Overvoltages and short circuits might damage the PLC modules.
Make sure that all voltage sources (supply and process voltage) are
switched off before you begin with operations at the system.
Never connect any voltages or signals to reserved terminals (marked with
---). Reserved terminals may carry internal voltages.
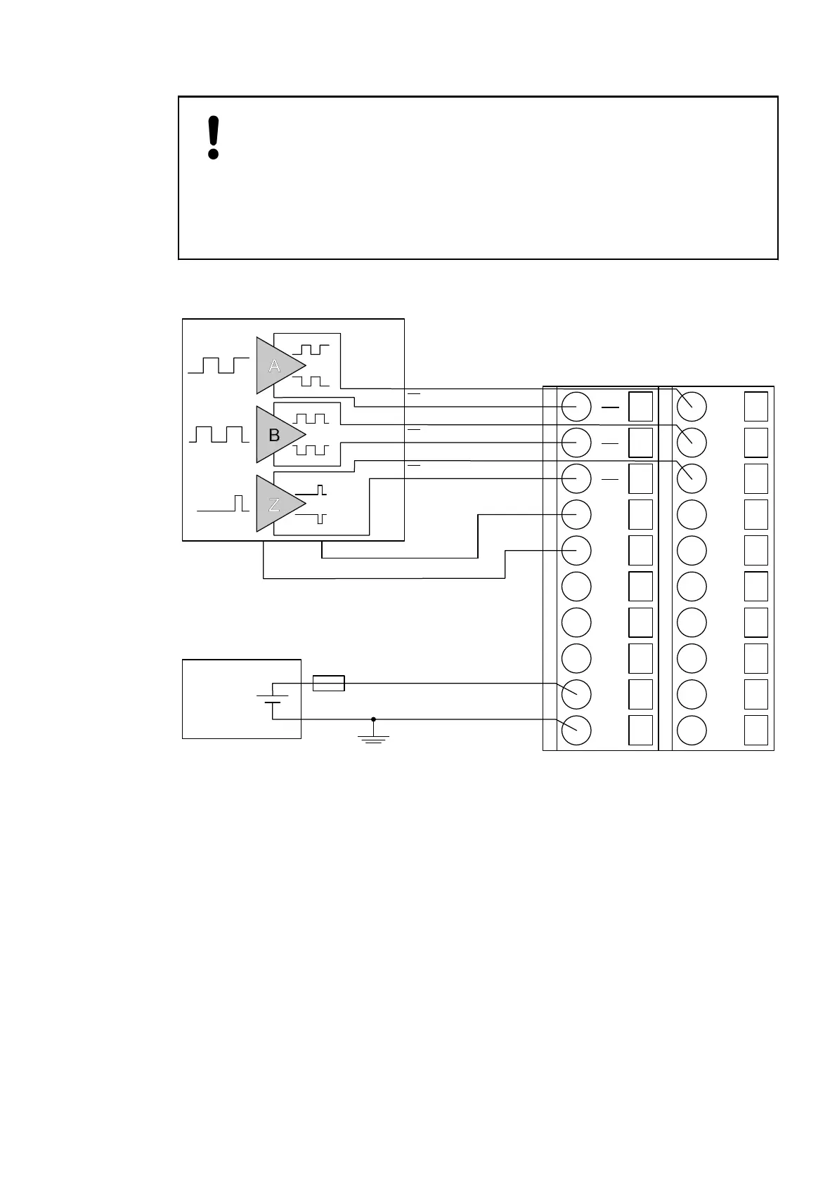
The encoder is powered by the 5 V power supply which is integrated in CD522.
1.0
A0
1.1
B0
1.2
Z0
1.3
5V0
1.4
0V
1.5
O0
1.6
0V
1.7
O1
1.8
UP
1.9
ZP
2.0
A0
2.1
B0
2.2
Z0
2.3
I3
2.4
C4
2.5
C5
2.6
C6
2.7
C7
2.8
UP
2.9
ZP
24 V DC
+
A
B
Z
5 V DC
+
A
A
B
B
Z
Z
The encoder is powered by the 5 V power supply which is integrated in the CD522.
Connection of
Encoders with
Differential
RS-422 Signal
Connection of
Encoders with 5
V TTL Signal
Device Specifications
Function Modules > S500
2019/04/173ADR010121, 13, en_US656

Table of Contents

Related product manuals