EasyManua.ls Logo

ABB AC500 PLC - Page 681

ABB AC500 PLC
1315 pages
Print Icon
To Next Page IconTo Next Page
To Next Page IconTo Next Page
To Previous Page IconTo Previous Page
To Previous Page IconTo Previous Page
Loading...
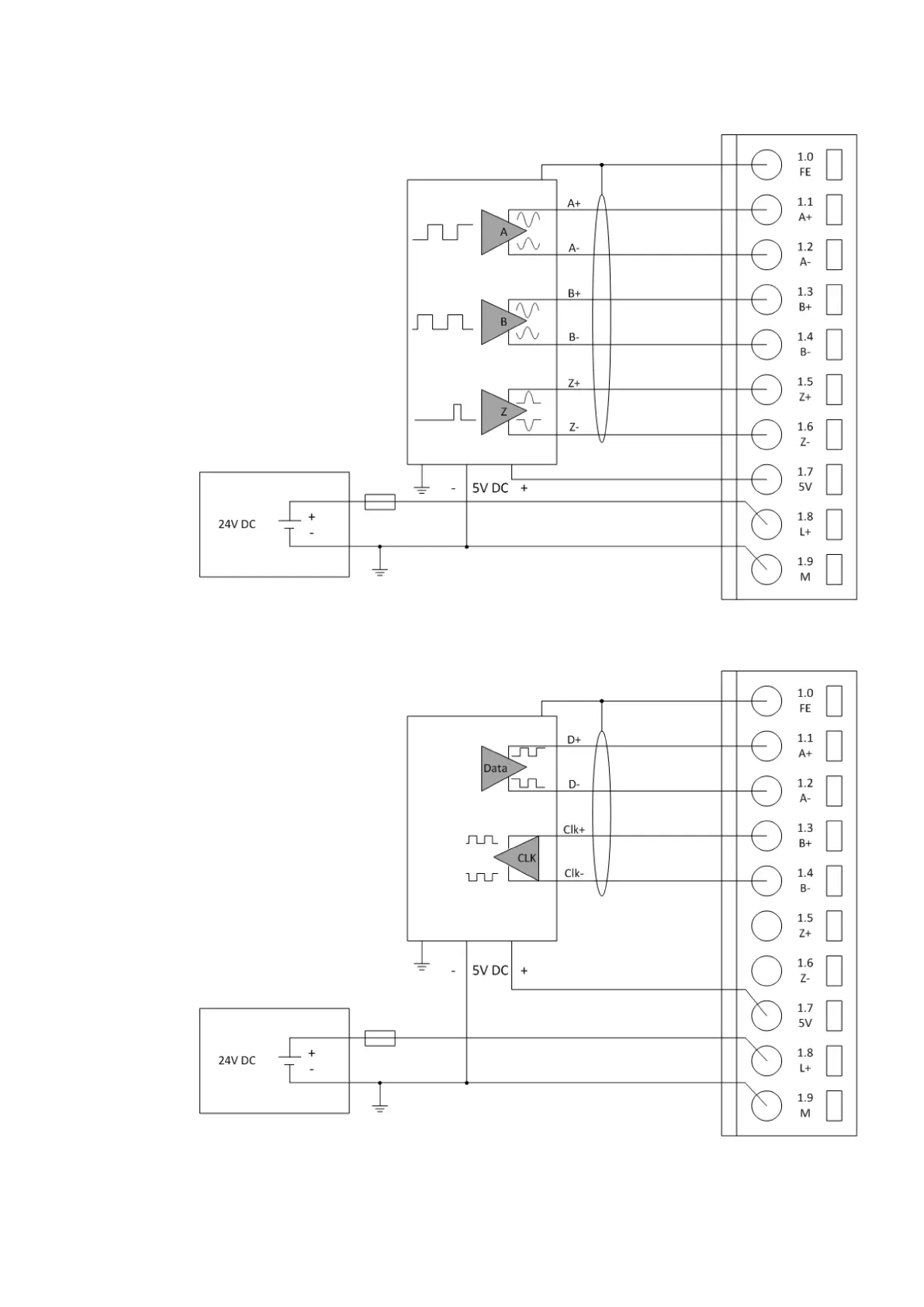
The encoder is powered by the 5 V power supply which is integrated in the FM502-CMS.
The encoder is powered by the 5 V power supply which is integrated in the FM502-CMS.
Connection of
Encoders with 1
Vpp Sine Signal
Connection of
Absolute
Encoders with
RS-422 Differen-
tial SSI Interface
Device Specifications
Function Modules > S500
2019/04/17 3ADR010121, 13, en_US 681

Table of Contents

Related product manuals