EasyManua.ls Logo

ABB AC500 PLC - Page 680

ABB AC500 PLC
1315 pages
Print Icon
To Next Page IconTo Next Page
To Next Page IconTo Next Page
To Previous Page IconTo Previous Page
To Previous Page IconTo Previous Page
Loading...
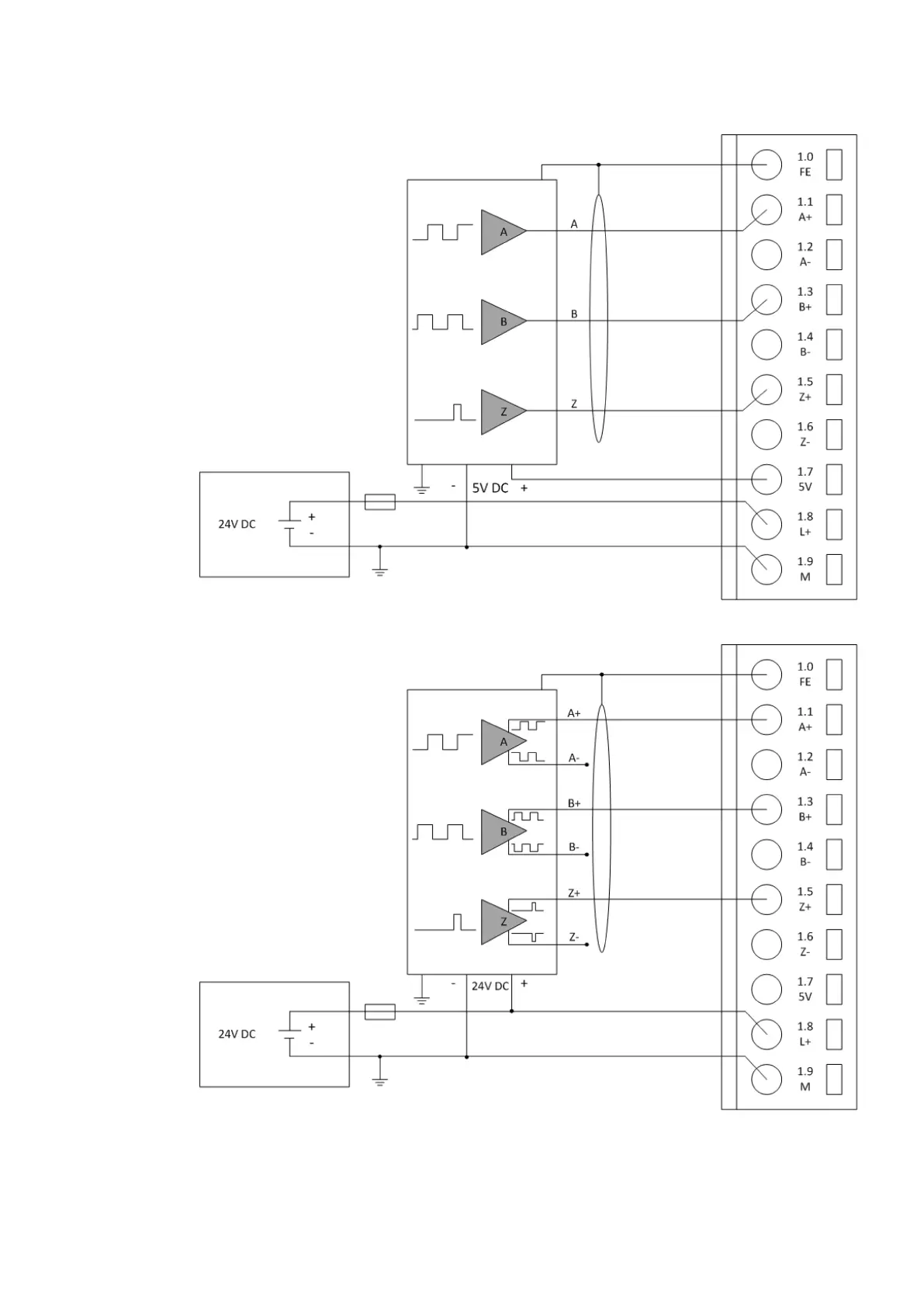
The encoder is powered through the 5 V power supply which is integrated in the FM502-CMS.
The wires A-, B- and Z- must not be connected to the module for single-ended operation. They
are left open.
When using different power supplies for the encoder device and the FM502-CMS, make sure
that the reference potentials of both power supplies are interconnected.
Connection of
Encoders with 5
V TTL Signal
Connection of
Encoders with
24 V Totem Pole
Signal
Device Specifications
Function Modules > S500
2019/04/173ADR010121, 13, en_US680

Table of Contents

Related product manuals