EasyManua.ls Logo

ABB AC500 PLC - Page 813

ABB AC500 PLC
1315 pages
Print Icon
To Next Page IconTo Next Page
To Next Page IconTo Next Page
To Previous Page IconTo Previous Page
To Previous Page IconTo Previous Page
Loading...
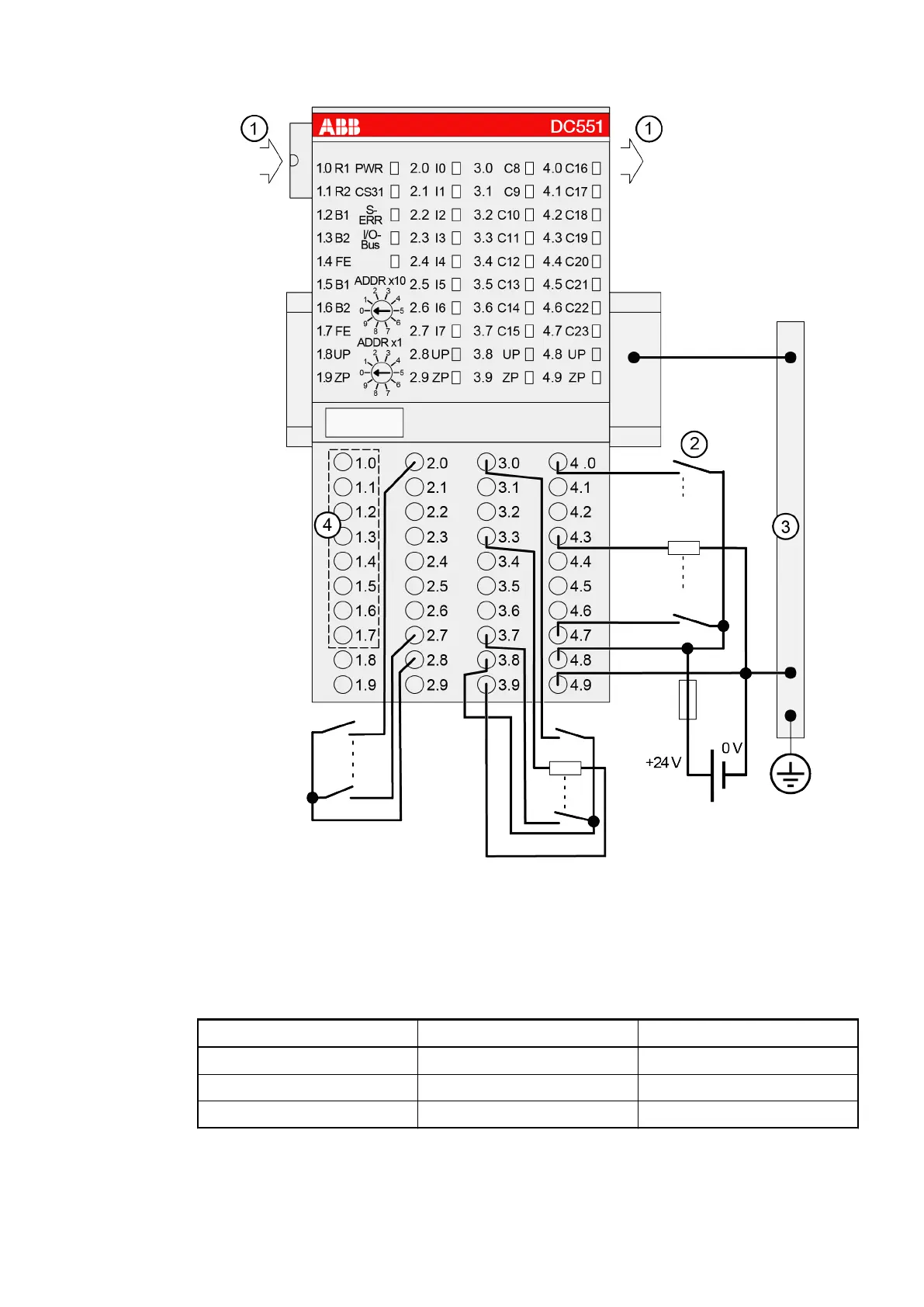
1 I/O bus
2 4.0 - 4.7: Connected with UP (switch) -> Input;
Connected with ZP (load) -> Output
3 Switch-gear cabinet earth
4
1.0 - 1.7:
Ä
Chapter 1.7.2.3.4 “CS31 Bus Connections” on page 814
Assignment of the other terminals:
Terminals Signal Description
1.0 to 1.7 RS-485 CS31 bus interface
2.0 to 2.7 I0 to I7 8 digital inputs
3.0 to 4.7 C8 to C23 16 digital inputs/outputs
Device Specifications
Communication Interface Modules (S500) > CS31
2019/04/17 3ADR010121, 13, en_US 813

Table of Contents

Related product manuals