EasyManua.ls Logo

ABB AC500 PLC - Page 659

ABB AC500 PLC
1315 pages
Print Icon
To Next Page IconTo Next Page
To Next Page IconTo Next Page
To Previous Page IconTo Previous Page
To Previous Page IconTo Previous Page
Loading...
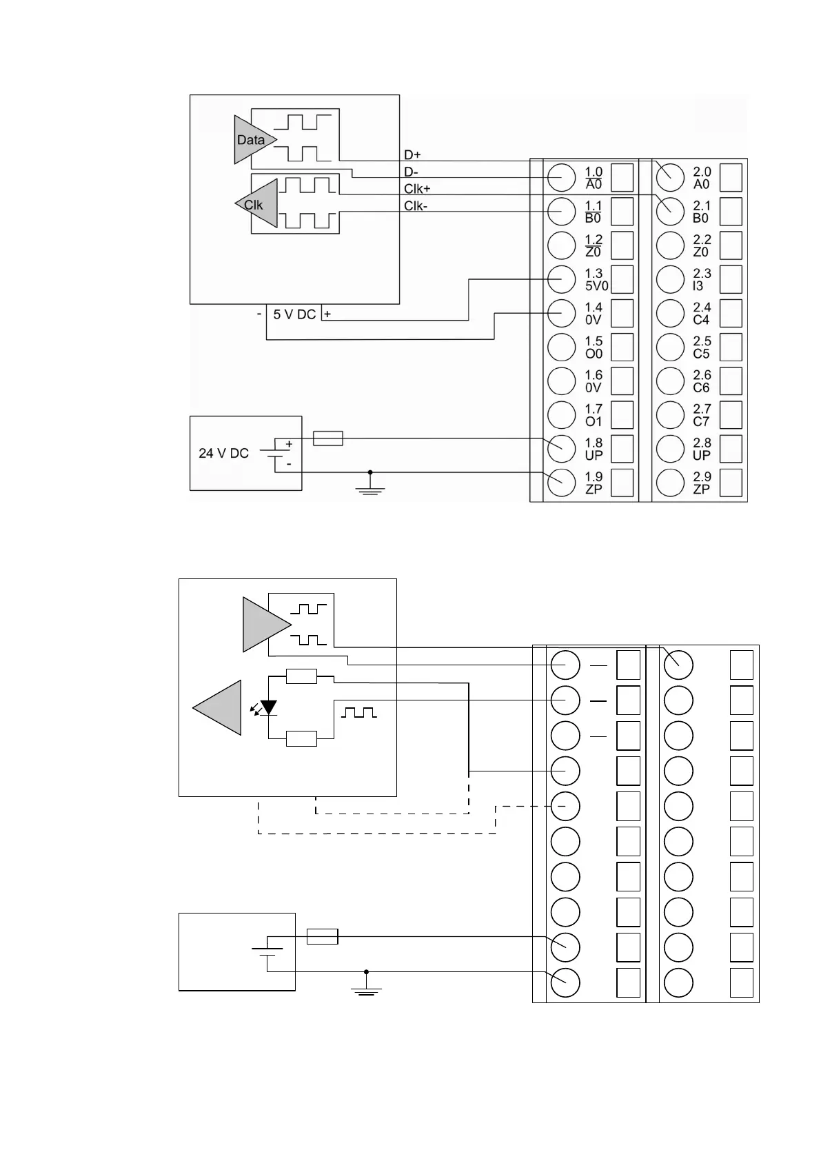
The encoder can optionally be powered by the 5 V power supply which is integrated in the
CD522.
1.0
A0
1.1
B0
1.2
Z0
1.3
5V0
1.4
0V
1.5
O0
1.6
0V
1.7
O1
1.8
UP
1.9
ZP
2.0
A0
2.1
B0
2.2
Z0
2.3
I3
2.4
C4
2.5
C5
2.6
C6
2.7
C7
2.8
UP
2.9
ZP
24 V DC
-
+
5 V DC
+
-
D+
D-
Clk+
Clk-
Data
Clk
Connection of
Absolute
Encoders with
an SSI Interface
and an Opto-
coupler Inter-
face at CLK
Input
Device Specifications
Function Modules > S500
2019/04/17 3ADR010121, 13, en_US 659

Table of Contents

Related product manuals