EasyManua.ls Logo

Toshiba GR200 Series - (i)-2 Setting for blocking operation of Distance protection; (ii) Load encroachment

Toshiba GR200 Series
1770 pages
To Next Page IconTo Next Page
To Next Page IconTo Next Page
To Previous Page IconTo Previous Page
To Previous Page IconTo Previous Page
Loading...
6F2S1914 (0.49)
GRL200 (Soft 033 & 037)
- 121 -
PSBG
OUT
A
B
C
&
&
&
&
PSBG
IN
A
B
C
&
&
&
8400081B63
8500081B64
8600081B65
8000081B66
8100081B67
8200081B68
≥1
≥1
1
1
&
t 0
TPSBG
0.02 to 0.100s
t 0
0.5s
≥1
t 0
TPSBGFR
0.0 to 10.00s
&
S
R
8000081B70
PSBG_BLOCK
800008EBB0
8000081BB0
PSBG F.RESET
810008EBB1
8100081BB1
1
&
S
R
8100081B6F
PSBG DET
PSBG-CVTF-BLK
To VTF and CTF
PSBGFR
On
1
≥1
&
≥1
≥1
PSBGRS
On
OCCR-A
OCCR-B
OCCR-C
From
DISTANCE COMMON
EFL
OCN-PS
&
&
&
8000001C20
8100001C21
8200001C22
8300001C27
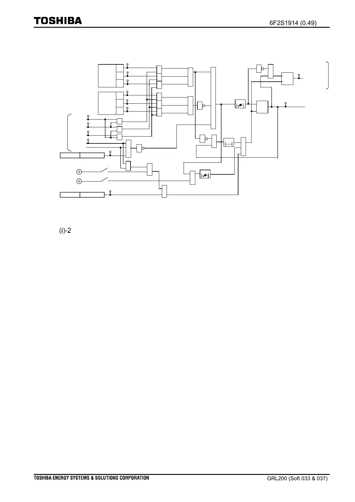
Figure 2.10-29 PSBG logic
Setting for blocking operation of Distance protection
Scheme switches [Z*S-PSBBlk] and [Z*G-PSBBlk] are provided to block the operation of the
respective Z*S and Z*G elements. Generally, it is desirable to block the operation of the
respective ZS elements and ZG elements during a power swing. Thus, Block is set for the
respective scheme switches [Z*S-PSBBlk] and [Z*G-PSBBlk].
However, when it is required to continue the operation of respective ZS and ZG elements
during a power swing, Non is set for respective scheme switches.
(ii) Load encroachment
The load encroachment element is used to improve security when heavy load current flows in
a line. When the impedance remains within the hatched area as shown in Figure 2.10-30, a
signal that reflects the operation of the load encroachment element is yielded; respective ZS
elements are blocked to operate by blocking signals, which can be issued at which Block is set
for the scheme switches [Z*S-LEBlk].
As shown in Figure 2.10-30(a), for ZS the minimum load resistance R is defined by the
setting of scheme switches [LESR] and [LESL]. Setting of the maximum load angles across the
R ordinate is performed using scheme switches [LESR-Angle] and [LESL-Angle].
For ZG, when Block is set for the scheme switches [Z*G-LEBlk], similar settings and
scheme switches are available: settings [LEGR], [LEGL], [LEGR-Angle], and [LEGL-Angle],

Table of Contents

Related product manuals