EasyManua.ls Logo

NXP Semiconductors MPC5566 - Page 705

NXP Semiconductors MPC5566
1268 pages
Print Icon
To Next Page IconTo Next Page
To Next Page IconTo Next Page
To Previous Page IconTo Previous Page
To Previous Page IconTo Previous Page
Loading...
Enhanced Modular Input/Output Subsystem (eMIOS)
MPC5566 Microcontroller Reference Manual, Rev. 2
17-26 Freescale Semiconductor
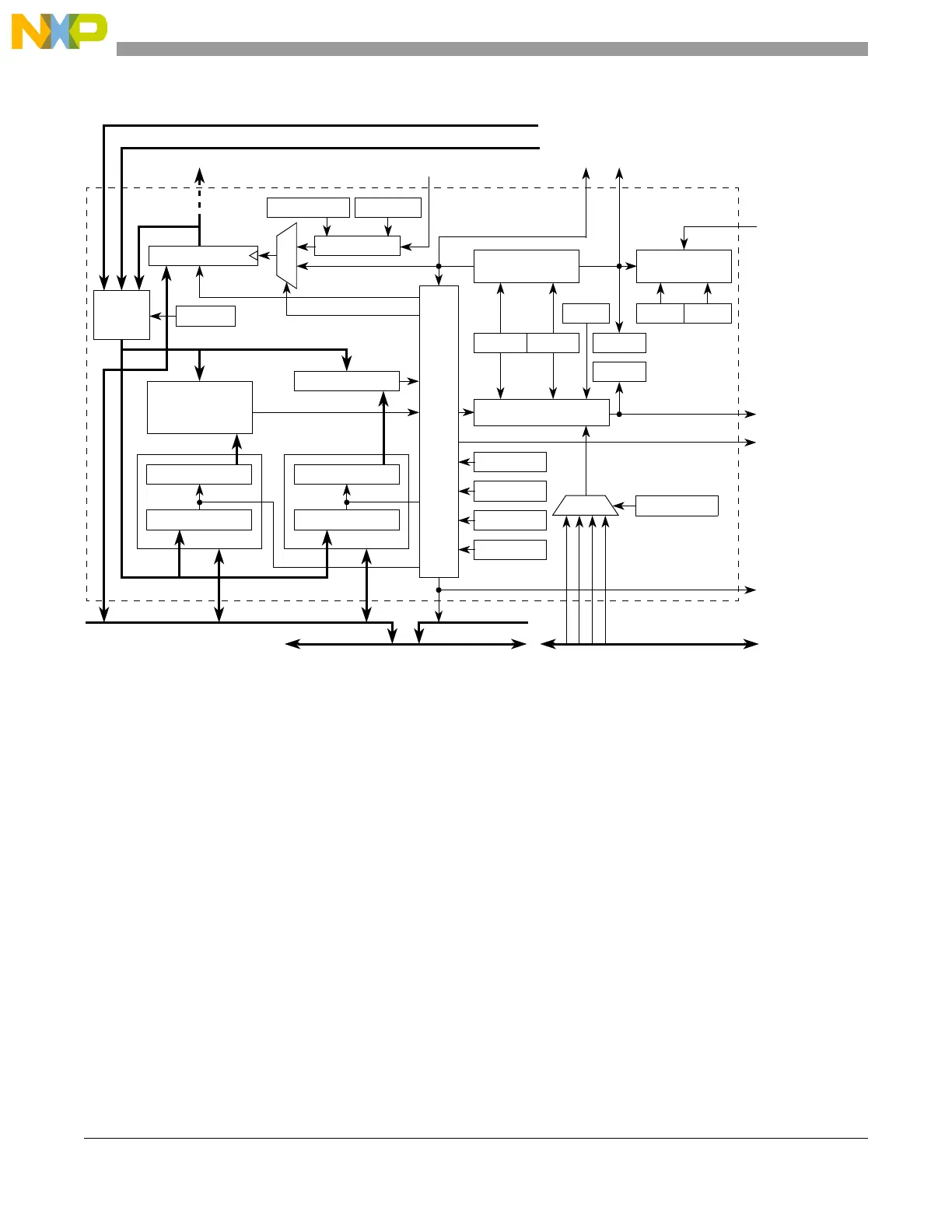
Figure 17-13. Unified Channel Block Diagram
Programmable
filter
FSM
IF[0:3]
UCIN
UCOUT
ODIS
EDSELEDPOL
Edge detect
Output flip-flop
FCK
Comparator A
(with zero
Prescaler
UCPRE[0:1]
BSL[0:1]
detection)
Comparator B
Register CADR
ENEN
FORCMB
RWCB RQB
Read note 2
Internal counter clock
Read note 1
Counter bus B, C, or D
Counter bus A
FORCMA
MODE[0:6]
UPDATE
Output disable
control bus
ODISSL[0:1]
EMIOSn
EMIOSn
Internal bus
Unified channel
Counter
bus
select
Internal counter
Register A1
Register A2
Register B1
Register B2
Notes:
1. Counter bus A can be driven by either the STAC bus or channel 23. Refer to EMIOS_MCR[ETB].
2. Goes to the finite state machine of the UC[n-1]. These signals are used for QDEC mode.
FLAG
Register CBDR
Channel 0 drives counter bus B, channel 8 drives counter bus C and channel 16 drives counter bus D.
Counter bus B can be selected as the counter for channels 0-7, counter bus C for channels 8-15,
and counter bus D for channels 16-23. Refer to Figure 1-1 and EMIOS_CCRn[BS].
EMIOS_UCn
EMIOS_Flag_Outn
UCPREN

Table of Contents