EasyManua.ls Logo

Texas Instruments TMS570LC4357 - Page 2011

Texas Instruments TMS570LC4357
2208 pages
Print Icon
To Next Page IconTo Next Page
To Next Page IconTo Next Page
To Previous Page IconTo Previous Page
To Previous Page IconTo Previous Page
Loading...
TBCTR[15:0]
Time
Base
(TB)
Module
16
CMPA[15:0]
16
16
16
CMPA
CompareAActiveReg.
CTR=CMPA
CTR=CMPB
Action
Qualifier
Module
Digital
comparatorB
CMPB[15:0]
TBCTR[15:0]
CTR=PRD
CTR=0
CMPCTL[LOADAMODE]
Shadow
load
CTR=PRD
CTR=0
CMPCTL[LOADBMODE]
CMPCTL[SHDWBFULL]
CMPCTL[SHDWBMODE]
CMPCTL
[SHDWAFULL]
CMPCTL
[SHDWAMODE]
CMPA
CompareAShadowReg.
Digital
comparatorA
CMPB
CompareBActiveReg.
CMPB
CompareBShadowReg.
Shadow
load
(AQ)
www.ti.com
ePWM Submodules
2011
SPNU563AMarch 2018
Submit Documentation Feedback
Copyright © 2018, Texas Instruments Incorporated
Enhanced Pulse Width Modulator (ePWM) Module
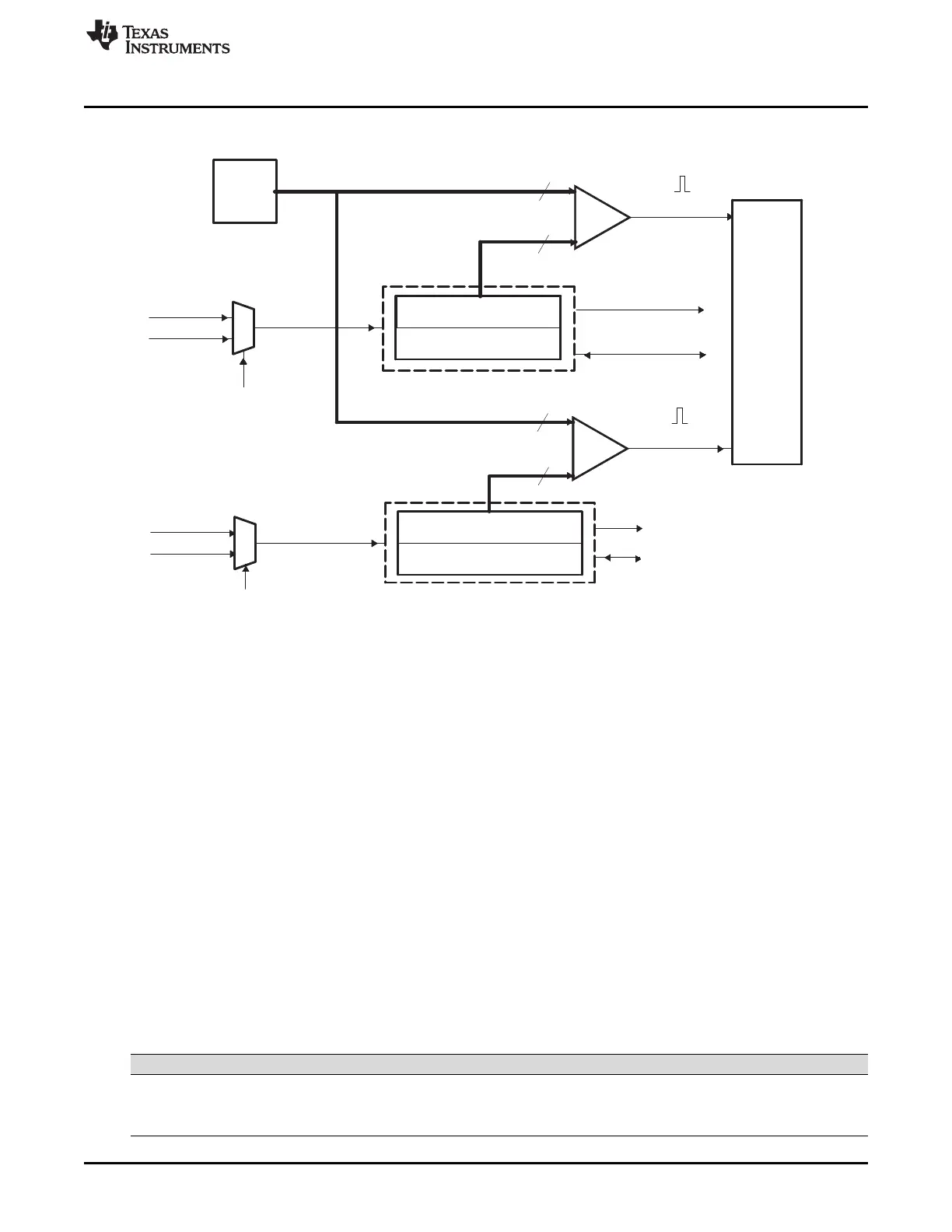
Figure 35-12. Detailed View of the Counter-Compare Submodule
35.2.3.1 Purpose of the Counter-Compare Submodule
The counter-compare submodule takes as input the time-base counter value. This value is continuously
compared to the counter-compare A (CMPA) and counter-compare B (CMPB) registers. When the time-
base counter is equal to one of the compare registers, the counter-compare unit generates an appropriate
event.
The counter-compare:
Generates events based on programmable time stamps using the CMPA and CMPB registers
CTR = CMPA: Time-base counter equals counter-compare A register (TBCTR = CMPA).
CTR = CMPB: Time-base counter equals counter-compare B register (TBCTR = CMPB)
Controls the PWM duty cycle if the action-qualifier submodule is configured appropriately
Shadows new compare values to prevent corruption or glitches during the active PWM cycle
35.2.3.2 Controlling and Monitoring the Counter-Compare Submodule
The counter-compare submodule operation is controlled and monitored by the registers listed in Table 35-
5.
The key signals associated with the counter-compare submodule are described in Table 35-6.
Table 35-5. Counter-Compare Submodule Registers
Register Name Address Offset Shadowed Description
CMPCTL 0Ch No Counter-Compare Control Register.
CMPA 10h Yes Counter-Compare A Register
CMPB 16h Yes Counter-Compare B Register

Table of Contents

Related product manuals