EasyManua.ls Logo

Texas Instruments TMS570LC4357 - Page 2034

Texas Instruments TMS570LC4357
2208 pages
Print Icon
To Next Page IconTo Next Page
To Next Page IconTo Next Page
To Previous Page IconTo Previous Page
To Previous Page IconTo Previous Page
Loading...
PSCLK
EPWMxA
EPWMxB
EPWMxA
EPWMxB
Start
Clk
One
shot
Pulse-width
PCCTL
[OSHTWTH]
PWMA_ch
Bypass
Divider and
duty control
PSCLK
OSHT
EPWMxA
PCCTL
[CHPEN]
EPWMxA
/8VCLK4
Pulse-width
Start
shot
Clk
One
PCCTL
[OSHTWTH]
1
OSHT
PCCTL[CHPFREQ]
PCCTL[CHPDUTY]
PWMB_ch
Bypass
EPWMxB
EPWMxB
1
0
0
ePWM Submodules
www.ti.com
2034
SPNU563AMarch 2018
Submit Documentation Feedback
Copyright © 2018, Texas Instruments Incorporated
Enhanced Pulse Width Modulator (ePWM) Module
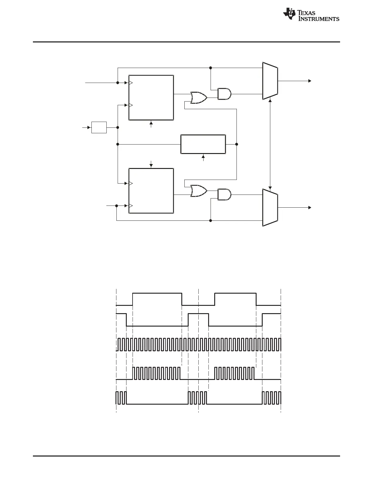
Figure 35-31. PWM-Chopper Submodule Operational Details
35.2.6.4 Waveforms
Figure 35-32 shows simplified waveforms of the chopping action only; one-shot and duty-cycle control are
not shown. Details of the one-shot and duty-cycle control are discussed in the following sections.
Figure 35-32. Simple PWM-Chopper Submodule Waveforms Showing Chopping Action Only

Table of Contents

Related product manuals