EasyManua.ls Logo

Texas Instruments TMS570LC4357 - Page 1963

Texas Instruments TMS570LC4357
2208 pages
Print Icon
To Next Page IconTo Next Page
To Next Page IconTo Next Page
To Previous Page IconTo Previous Page
To Previous Page IconTo Previous Page
Loading...
0
1
1
0
QA
QB
1
1
0
0
QDECCTL:QBP
Quadrature
decoder
00
01
10
11
iCLK
xCLK
xCLK
xCLK
01
11
10
00
iDIR
xDIR
1
0
QDECCTL:QSRC
2
QFLG:PHE
PHE
QDECCTL:QAP
x1
x2
x1, x2
QDECCTL:XCR
0
1
1
0
QDECCTL:QIP
QDECCTL:IGATE
QCLK
QDIR
QI
1
0
QDECCTL:QSP
0
1
QDECCTL:SPSEL
QDECCTL:SPSEL
1
0
QDECCTL:SOEN
QS
PCSOUT
EQEPxIOE
EQEPxSOE
EQEPxIOUT
EQEPxSOUT
EQEPxSIN
EQEPxIIN
EQEPxBIN
EQEPxAIN
QDECCTL:SWAP
QEPSTS:QDF
EQEPA
EQEPB
www.ti.com
Basic Operation
1963
SPNU563AMarch 2018
Submit Documentation Feedback
Copyright © 2018, Texas Instruments Incorporated
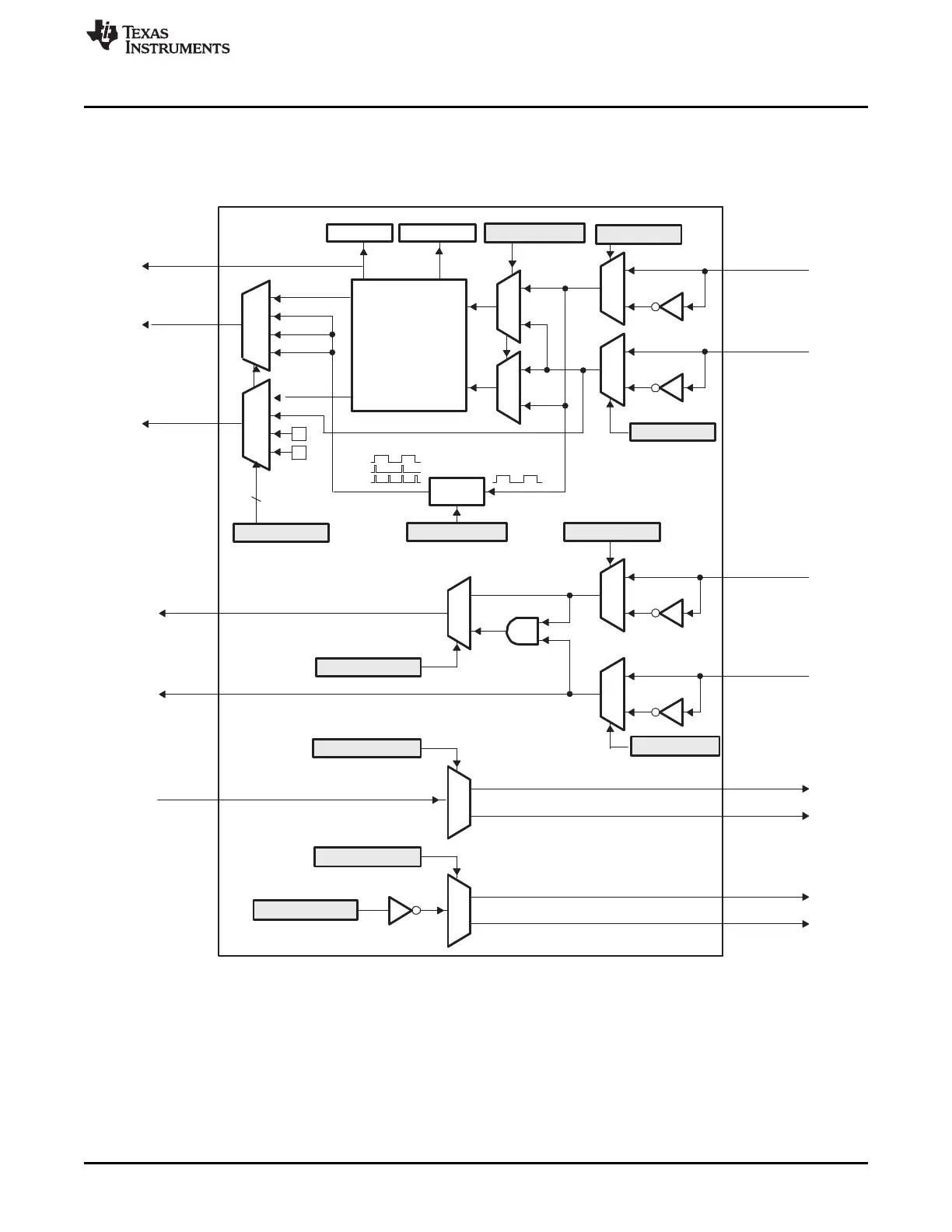
Enhanced Quadrature Encoder Pulse (eQEP) Module
34.2.2.2 Quadrature Decoder Unit (QDU)
Figure 34-5 shows a functional block diagram of the QDU.
Figure 34-5. Functional Block Diagram of Decoder Unit
34.2.2.2.1 Position Counter Input Modes
Clock and direction input to position counter is selected using QDECCTL[QSRC] bits, based on interface
input requirement as follows:
Quadrature-count mode
Direction-count mode
UP-count mode
DOWN-count mode

Table of Contents

Related product manuals