EasyManua.ls Logo

Texas Instruments TMS570LC4357 - Page 2041

Texas Instruments TMS570LC4357
2208 pages
Print Icon
To Next Page IconTo Next Page
To Next Page IconTo Next Page
To Previous Page IconTo Previous Page
To Previous Page IconTo Previous Page
Loading...
Latch
cyc- by-cyc
mode
(CBC)
CTR=zero
TZFRC[CBC]
TZ1
TZ2
TZ3
TZ4
TZ5
TZ6
Sync
Clear
Set
Set
one-shot
Latch
(OSHT)
mode
Clear
TZSEL[CBC1 to CBC6, DCAEVT2, DCBEVT2]
TZCLR[OST]
TZSEL[OSHT1 to OSHT6, DCAEVT1, DCBEVT1]
TZFRC[OSHT]
Trip
Logic
Trip
Trip
CBC
trip event
OSHT
trip event
EPWMxA
EPWMxB
EPWMxA
EPWMxB
TZCTL[TZA, TZB, DCAEVT1, DCAEVT2, DCBEVT1, DCBEVT2]
AsyncTrip
Set
Clear
TZFLG[CBC]
TZCLR[CBC]
Set
Clear
TZFLG[OST]
Digital
Compare
Submodule
DCAEVT1.force
DCAEVT2.force
DCBEVT1.force
DCBEVT2.force
TZ1
TZ2
TZ3
DCAEVT2.force
DCBEVT2.force
TZ1
TZ2
TZ3
TZ4
TZ5
TZ6
Sync
DCAEVT1.force
DCBEVT1.force
www.ti.com
ePWM Submodules
2041
SPNU563AMarch 2018
Submit Documentation Feedback
Copyright © 2018, Texas Instruments Incorporated
Enhanced Pulse Width Modulator (ePWM) Module
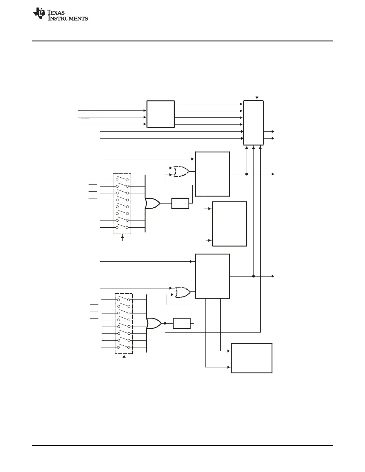
35.2.7.4 Generating Trip Event Interrupts
Figure 35-36 and Figure 35-37 illustrate the trip-zone submodule control and interrupt logic, respectively.
DCAEVT1/2 and DCBEVT1/2 signals are described in further detail in Section 35.2.9.
Figure 35-36. Trip-Zone Submodule Mode Control Logic

Table of Contents

Related product manuals