EasyManua.ls Logo

Texas Instruments TMS570LC4357 - Page 2042

Texas Instruments TMS570LC4357
2208 pages
Print Icon
To Next Page IconTo Next Page
To Next Page IconTo Next Page
To Previous Page IconTo Previous Page
To Previous Page IconTo Previous Page
Loading...
Clear
Latch
Set
TZCLR[CBC]
CBCForce
OutputEvent
TZEINT[CBC]
TZFLG[CBC]
Clear
Latch
Set
TZCLR[OST]
OSTForce
OutputEvent
TZEINT[OST]
TZFLG[OST]
Clear
Latch
Set
TZCLR[DCAEVT1]
DCAEVT1.inter
TZEINT[DCAEVT1]
TZFLG[DCAEVT1]
Clear
Latch
Set
TZCLR[DCAEVT2]
DCAEVT2.inter
TZEINT[DCAEVT2]
TZFLG[DCAEVT2]
Clear
Latch
Set
TZCLR[DCBEVT1]
DCBEVT1.inter
TZEINT[DCBEVT1]
TZFLG[DCBEVT1]
Clear
Latch
Set
TZCLR[DCBEVT2]
DCBEVT2.inter
TZEINT[DCBEVT2]
TZFLG[DCBEVT2]
Generate
Interrupt
Pulse
When
Input=1
Clear
Latch
Set
TZFLG[INT]
TZCLR[INT]
EPWMxTZINT(PIE)
ePWM Submodules
www.ti.com
2042
SPNU563AMarch 2018
Submit Documentation Feedback
Copyright © 2018, Texas Instruments Incorporated
Enhanced Pulse Width Modulator (ePWM) Module
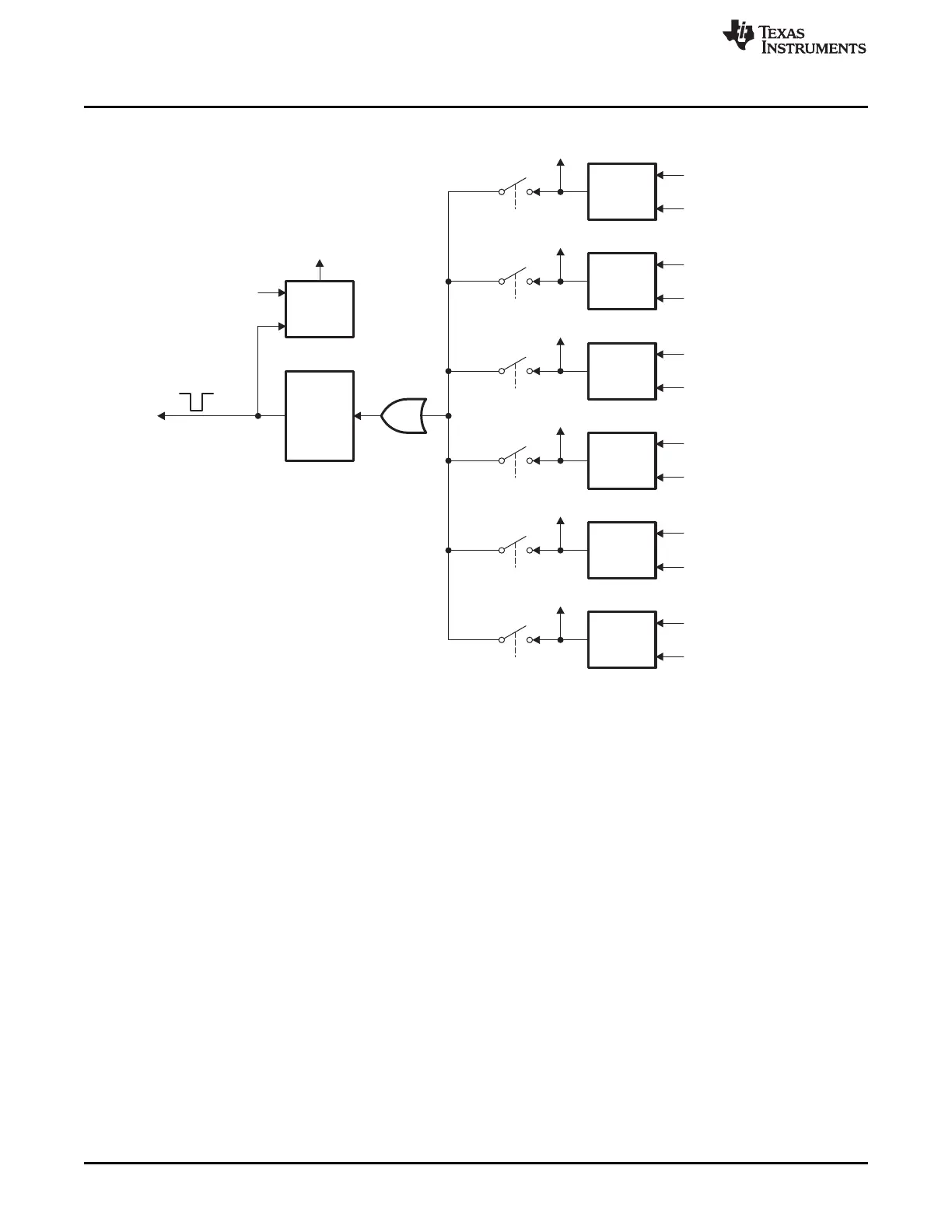
Figure 35-37. Trip-Zone Submodule Interrupt Logic

Table of Contents

Related product manuals