EasyManua.ls Logo

Texas Instruments TMS570LC4357 - Page 2052

Texas Instruments TMS570LC4357
2208 pages
Print Icon
To Next Page IconTo Next Page
To Next Page IconTo Next Page
To Previous Page IconTo Previous Page
To Previous Page IconTo Previous Page
Loading...
Sync DCBEVT2.force
1
0
TBCLK
DCBEVT2
1
0
TZFRC[DCBEVT2]
Latch
set
clear
TZCLR[DCBEVT2] TZFLG[DCBEVT2]
TZEINT[DCBEVT2]
DCBEVT2.inter
async
DCEVTFILT
DCBCTL[EVT2FRCSYNCSEL]
DCBCTL[EVT2SRCSEL]
Sync DCBEVT1.force
1
0
TBCLK
DCBEVT1
1
0
TZFRC[DCBEVT1]
DCBEVT1.soc
DCBCTL[EVT1SOCE]
Latch
set
clear
TZCLR[DCBEVT1] TZFLG[DCBEVT1]
TZEINT[DCBEVT1]
DCBEVT1.inter
DCBEVT1.sync
DCBCTL[EVT1SYNCE]
async
DCEVTFILT
DCBCTL[EVT1FRCSYNCSEL]
DCBCTL[EVT1SRCSEL]
ePWM Submodules
www.ti.com
2052
SPNU563AMarch 2018
Submit Documentation Feedback
Copyright © 2018, Texas Instruments Incorporated
Enhanced Pulse Width Modulator (ePWM) Module
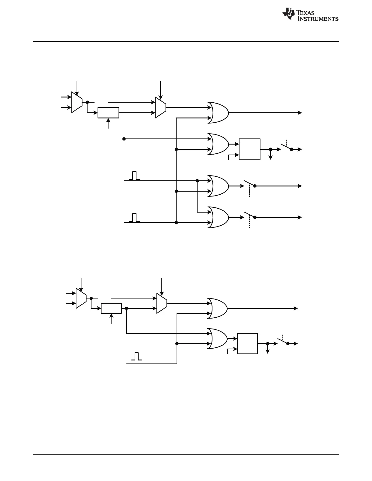
Figure 35-47 and Figure 35-48 show how the DCBEVT1, DCBEVT2, or DCEVTFILT signals are
processed to generate the digital compare B event force, interrupt, soc and sync signals.
Figure 35-47. DCBEVT1 Event Triggering
Figure 35-48. DCBEVT2 Event Triggering

Table of Contents

Related product manuals