EasyManua.ls Logo

Texas Instruments TMS320C6745 DSP - Interrupts in Ecap Module

Texas Instruments TMS320C6745 DSP
1472 pages
Print Icon
To Next Page IconTo Next Page
To Next Page IconTo Next Page
To Previous Page IconTo Previous Page
To Previous Page IconTo Previous Page
Loading...
PRDEQ
Clear
Set
Latch
CEVT1
ECFRC
ECCLR
ECFLG
ECEINT
ECCLR
ECEINT Set
Clear
Latch
CEVT2
ECFRC
ECFLG
ECCLR
ECCLR
Clear
ECEINT
Latch
Set
ECFLG
ECEINT Set
Clear
Latch
ECFRC
CEVT4
CEVT3
ECFRC
ECFLG
ECFRC
ECCLR
ECEINT Set
ECEINT
ECFLG
Latch
Clear
Latch
Set
CMPEQ
ECFRC
ECCLR
ECCLRClear
ECFLG
ECEINT
Clear
Latch
Set
ECFRC
CTROVF
ECFLG
01
0
Generate
interrupt
pulse when
input=1
Latch
Clear
Set
ECCLR
ECAPxINT
ECFLG
Architecture
www.ti.com
252
SPRUH91DMarch 2013Revised September 2016
Submit Documentation Feedback
Copyright © 2013–2016, Texas Instruments Incorporated
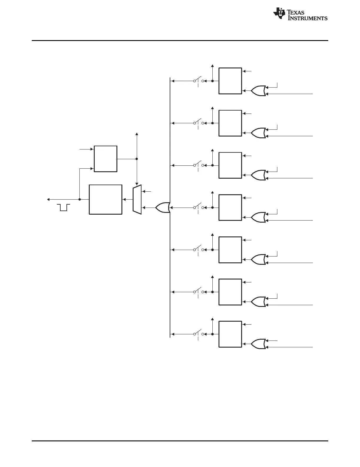
Enhanced Capture (eCAP) Module
Figure 13-8. Interrupts in eCAP Module

Table of Contents

Related product manuals