EasyManua.ls Logo

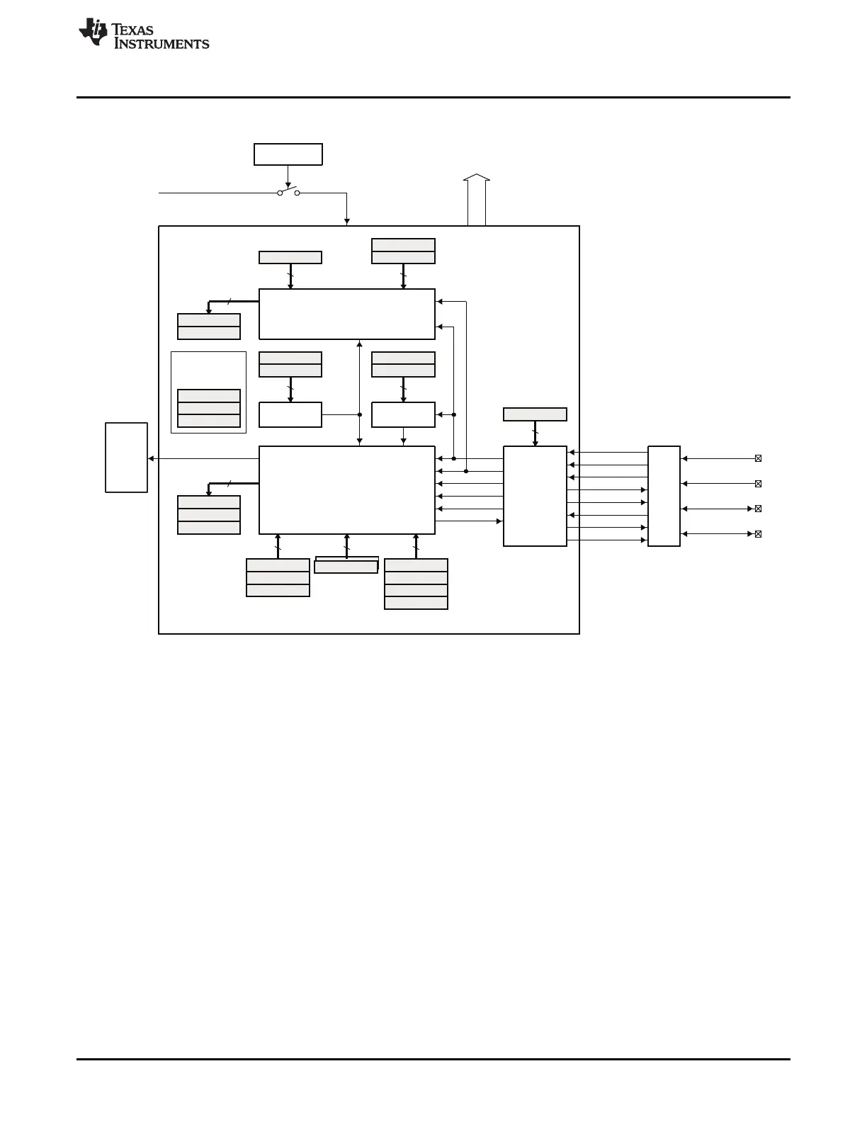
Texas Instruments TMS320C6745 DSP - Functional Block Diagram of the Eqep Peripheral

Texas Instruments TMS320C6745 DSP
1472 pages
Print Icon
To Next Page IconTo Next Page
To Next Page IconTo Next Page
To Previous Page IconTo Previous Page
To Previous Page IconTo Previous Page
Loading...
QWDTMR
QWDPRD
16
QWDOG
UTIME
QUPRD
QUTMR
32
UTOUT
WDTOUT
Quadrature
captureunit
(QCAP)
QCPRDLAT
QCTMRLAT
16
QFLG
QEPSTS
QEPCTL
Registers
usedby
multipleunits
QCLK
QDIR
QI
QS
PHE
PCSOUT
Quadrature
decoder
(QDU)
QDECCTL
16
Positioncounter/
controlunit
(PCCU)
QPOSLAT
QPOSSLAT
32
QPOSILAT
EQEPxAIN
EQEPxBIN
EQEPxIIN
EQEPxIOUT
EQEPxIOE
EQEPxSIN
EQEPxSOUT
EQEPxSOE
GPIO
MUX
EQEPxA/XCLK
EQEPxB/XDIR
EQEPxS
EQEPxI
QPOSCMP
QEINT
QFRC
32
QCLR
QPOSCTL
1632
QPOSCNT
QPOSMAX
QPOSINIT
Interrupt
Controller
EQEPxINT
EnhancedQEP (eQEP)peripheral
System
controlregisters
QCTMR
QCPRD
1616
QCAPCTL
EQEPxENCLK
SYSCLKOUT
Data bus
ToCPU
www.ti.com
Architecture
401
SPRUH91DMarch 2013Revised September 2016
Submit Documentation Feedback
Copyright © 2013–2016, Texas Instruments Incorporated
Enhanced Quadrature Encoder Pulse (eQEP) Module
Figure 15-4. Functional Block Diagram of the eQEP Peripheral

Table of Contents

Related product manuals