EasyManua.ls Logo

Microsemi SmartFusion2 - Figure 241 MSS GPIO Block Diagram

Microsemi SmartFusion2
829 pages
Print Icon
To Next Page IconTo Next Page
To Next Page IconTo Next Page
To Previous Page IconTo Previous Page
To Previous Page IconTo Previous Page
Loading...
MSS GPIO
UG0331 User Guide Revision 15.0 564
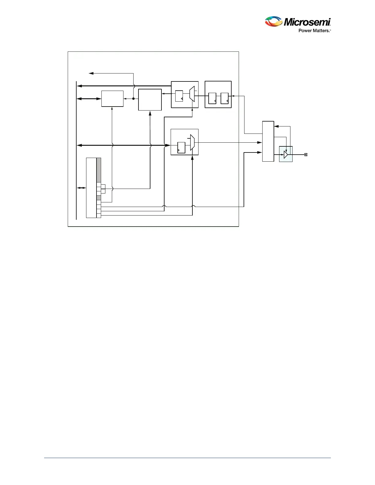
Figure 241 MSS GPIO Block Diagram
MSS GPIO
To
Cortex-M3
Microcontroller
INT[i]
INT[i]
GPIO_i_IN
GPIO_i_OUT
GPIO_i_OE
GPIO_OUT Reg
Interrupt
Reg
(GPIO_IRQ[i])
Interrupt
Generate
Logic
I/O
MUX
(Input Enable)
EN_IN_i
EN_INT_i
EN_OUT_i
TYPES_INT_i
CONFIG_X
Configuration register-32bit
(Interrupt Types)
(Output Enable)
(Interrupt Enable)
APB INTERFACE
Sync
GPIO_IN Reg
0
D
Q
MSIO
D
Q
D
Q
0
31:8
12
3
45
6
7
0
DQ

Table of Contents

Other manuals for Microsemi SmartFusion2

Related product manuals