EasyManua.ls Logo

Microsemi SmartFusion2 - Figure 345 FIC Master;Ahb-Lite Subsystem

Microsemi SmartFusion2
829 pages
Print Icon
To Next Page IconTo Next Page
To Next Page IconTo Next Page
To Previous Page IconTo Previous Page
To Previous Page IconTo Previous Page
Loading...
Fabric Interface Controller
UG0331 User Guide Revision 15.0 772
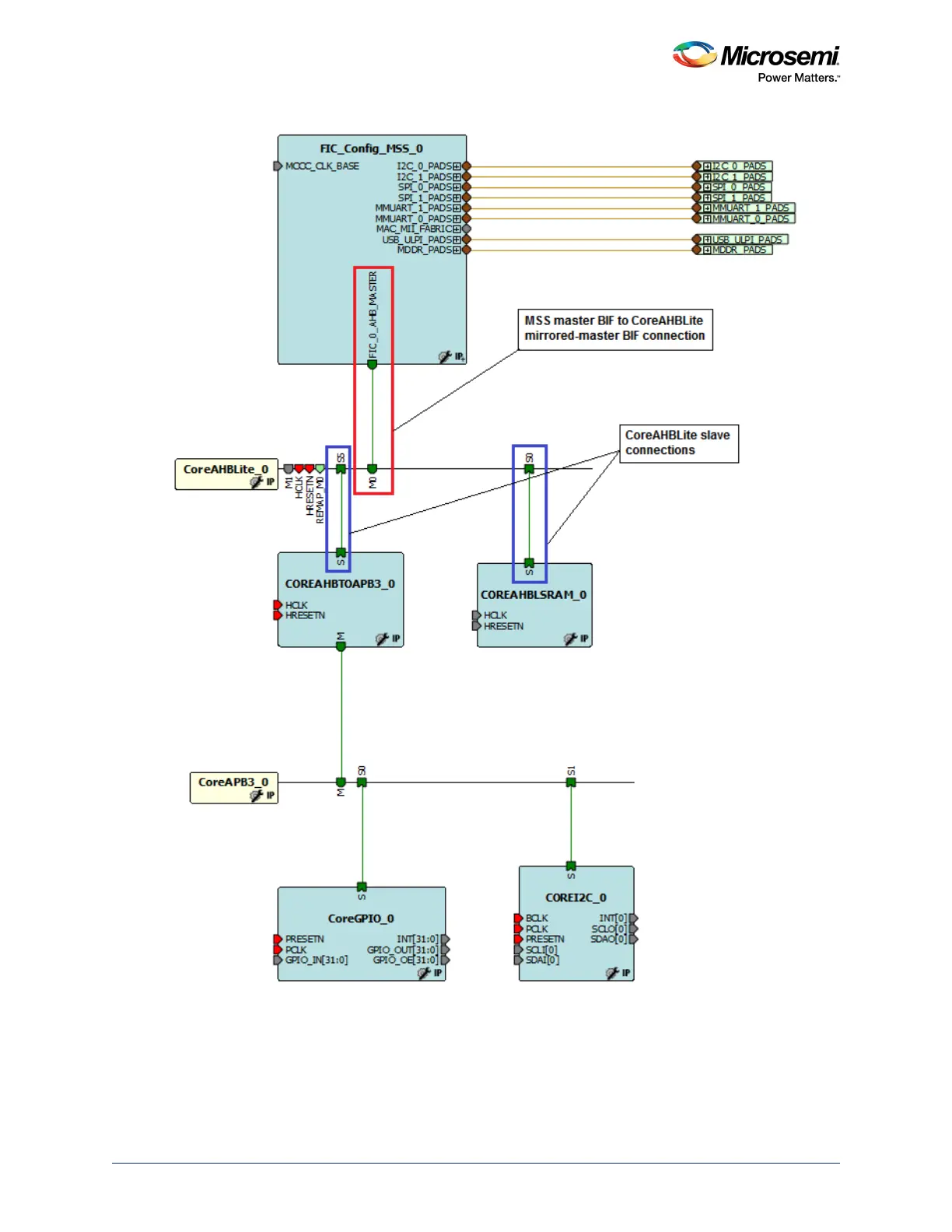
Figure 345 FIC Master/AHB-Lite Subsystem

Table of Contents

Other manuals for Microsemi SmartFusion2

Related product manuals