EasyManua.ls Logo

Xerox WorkCentre 7132

Xerox WorkCentre 7132
1726 pages
To Next Page IconTo Next Page
To Next Page IconTo Next Page
To Previous Page IconTo Previous Page
To Previous Page IconTo Previous Page
Loading...
January 2007
7-44
WorkCentre 7132
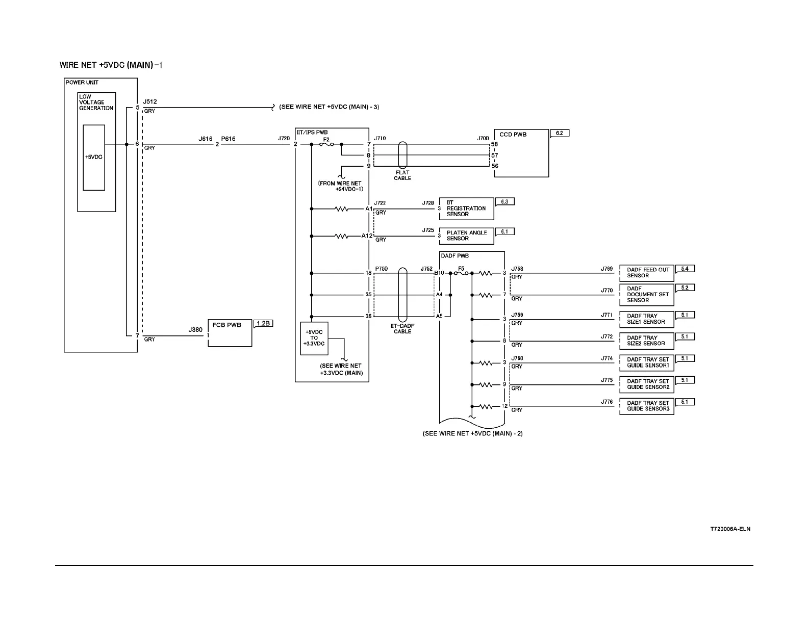
7.3.6 Wire Net +5VDC (Main)-1
Reversion 4.0
Wiring-data
7.3.6 Wire Net +5VDC (Main)-1
Figure 1 Wire Net +5VDC (Main)-1

Table of Contents

Other manuals for Xerox WorkCentre 7132

Related product manuals