EasyManua.ls Logo

Xerox WorkCentre 7132

Xerox WorkCentre 7132
1726 pages
To Next Page IconTo Next Page
To Next Page IconTo Next Page
To Previous Page IconTo Previous Page
To Previous Page IconTo Previous Page
Loading...
January 2007
7-133
WorkCentre 7132
Chain 9 Xerographics
Wiring-data
Reversion 4.0
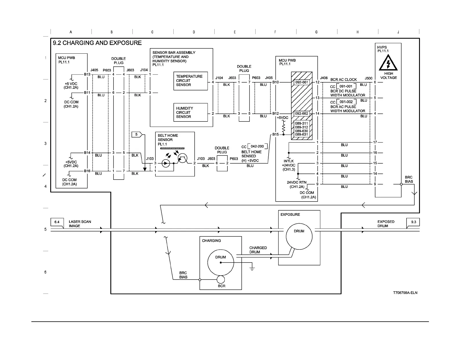
Figure 2 9.2 CHARGING AND EXPOSURE (t709798a-eln)
Fig.9.3

Table of Contents

Other manuals for Xerox WorkCentre 7132

Related product manuals