EasyManua.ls Logo

Renesas RX Series - Page 433

Renesas RX Series
1823 pages
Print Icon
To Next Page IconTo Next Page
To Next Page IconTo Next Page
To Previous Page IconTo Previous Page
To Previous Page IconTo Previous Page
Loading...
R01UH0823EJ0100 Rev.1.00 Page 433 of 1823
Jul 31, 2019
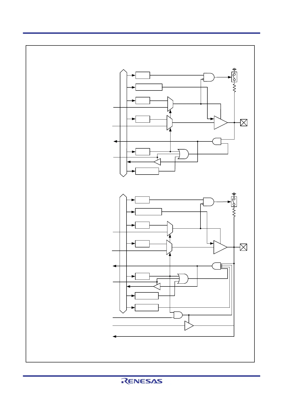
RX23W Group 21. I/O Ports
Figure 21.2 I/O Port Configuration (2)
Port 1: P16, P17
Port J: PJ3
Peripheral module output signal
Reading the port
PMR
ODR0, ODR1
PDR
PODR
Enable peripheral module output
Input signal of peripheral module/interrupt
PCR
*1
0
1
0
1
ISEL bit
1: ON
0: OFF
Port 1: P14, P15
Peripheral module output signal
Reading the port
PMR
ODR0, ODR1
PDR
PODR
Enable peripheral module output
Input signal of peripheral module/interrupt
PCR
*1
0
1
0
1
ISEL bit
*2
1: ON
0: OFF
CTSU channel enable control register
Sensor drive pulse
ASEL bit
*2
Note 1. Control signal for N-channel open-drain output
Note 2. An external interrupt function is multiplexed on this pin
Internal bus
Internal bus
Analog input

Table of Contents

Related product manuals