EasyManua.ls Logo

Renesas RX Series - Page 439

Renesas RX Series
1823 pages
Print Icon
To Next Page IconTo Next Page
To Next Page IconTo Next Page
To Previous Page IconTo Previous Page
To Previous Page IconTo Previous Page
Loading...
R01UH0823EJ0100 Rev.1.00 Page 439 of 1823
Jul 31, 2019
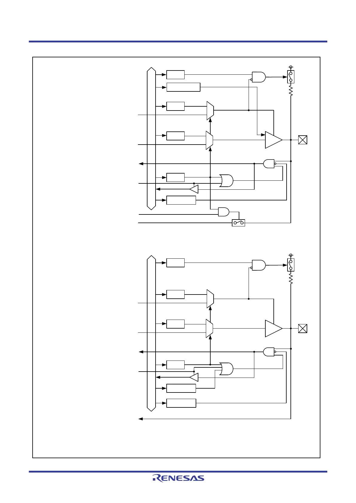
RX23W Group 21. I/O Ports
Figure 21.8 I/O Port Configuration (8)
Port C: PC4
Peripheral module output signal
Reading the port
PMR
PDR
PODR
Enable peripheral module output
Input signal of peripheral module/interrupt
PCR
0
1
0
1
1: ON
0: OFF
ISEL bit
*2
ODR0, ODR1
*1
Sensor drive pulse
Note 1. Control signal for N-channel open-drain output.
Note 2. Control signal when the pin function (TSCAP) of the CTSU is set in the PmnPFS.PSEL[4:0] bits.
Note 3. An external interrupt function is multiplexed on this pin
CTSU channel enable control register
Internal bus
Port D: PD3
Peripheral module output signal
Reading the port
PMR
PDR
PODR
Enable peripheral module output
Input signal of peripheral module/
interrupt
PCR
0
1
0
1
1: ON
0: OFF
ISEL bit
ASEL bit
Analog input
Internal bus
*3

Table of Contents

Related product manuals