EasyManua.ls Logo

Texas Instruments CC3235 SimpleLink Series - Page 585

Texas Instruments CC3235 SimpleLink Series
799 pages
Print Icon
To Next Page IconTo Next Page
To Next Page IconTo Next Page
To Previous Page IconTo Previous Page
To Previous Page IconTo Previous Page
Loading...
CC3235
IO
PIN MUX
RF TEST
PM TEST
ANA2-DCDC
External Supply
Sensing Ckt
Switch Driver
32-kHz Crystal Oscillator
source select mux
Crystal
Oscillator
Ext Pullup
Sensing Ckt
S7
S8
S9
S10
ADC_CH3
ADC_CH2
ADC_CH1
ADC_CH0
ADC
29 30 50 53 57 58 59 60
525144 45 47 46
EN
VIN_DCDC_DIG
DCDC_ANA2_SW_P
VDD_ANA2
DCDC_ANA2_SW_N
RTC_XTAL_P
RTC_XTAL_N
S5 S6 S2 S3
S4
S1
analog signal switch
EN
Digital Only
Pads
Supply Input
Digital
Peripherals
ANTSEL1
ANTSEL2
Pins Shared By Analog and Digital*
*
*
Pins Shared By Analog and Digital*
32.768 KHz
Crystal
Oscillator
power FET
www.ti.com
Special Analog/Digital Pins
585
SWRU543January 2019
Submit Documentation Feedback
Copyright © 2019, Texas Instruments Incorporated
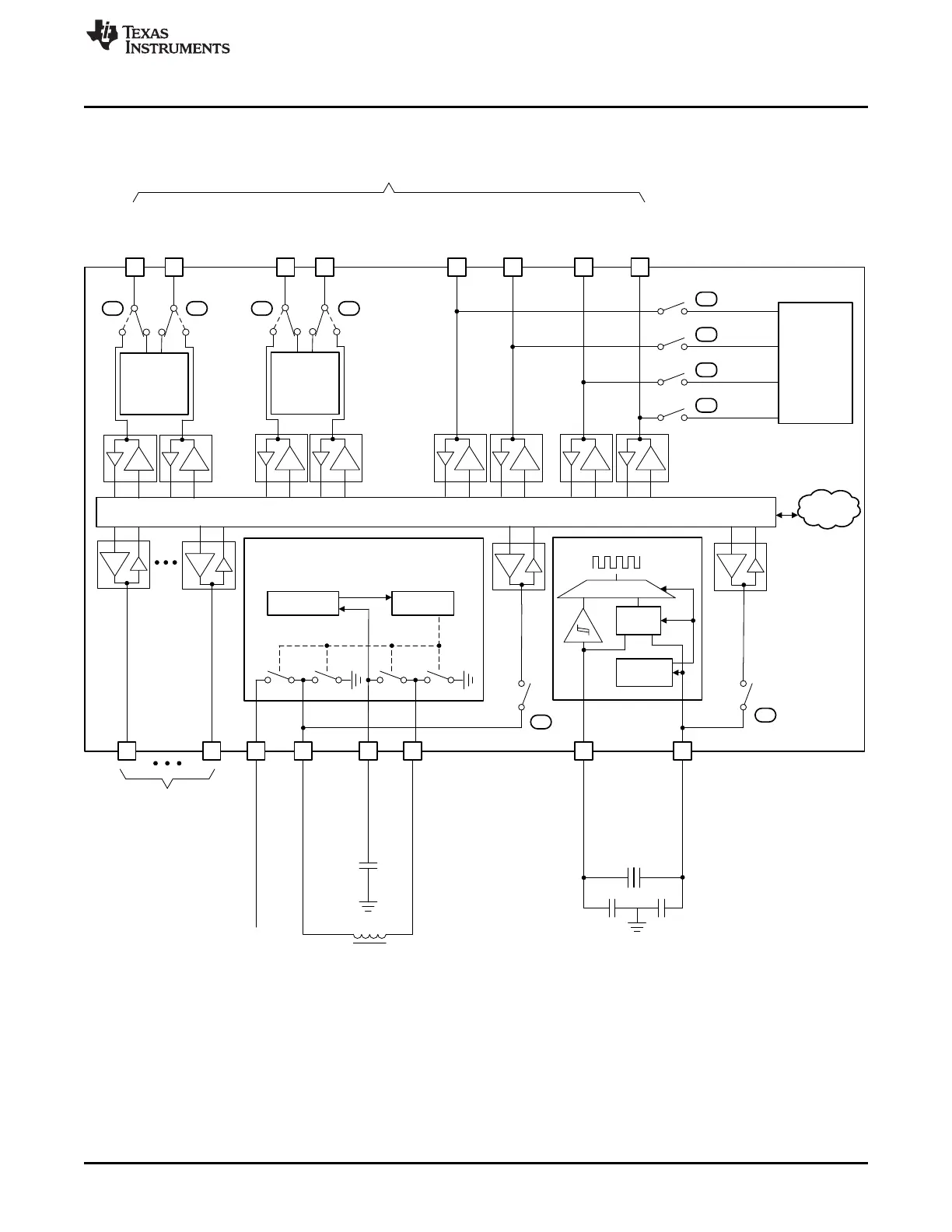
I/O Pads and Pin Multiplexing
Figure 16-1. Board Configuration to Use Pins 45 and 52
(1) In the configuration shown, pin 46 is used by ANA2_DCDC and is not available as digital pad.
(2) In the configuration shown, pin 52 is used by RTC crystal oscillator and is not available as digital pad.

Table of Contents

Related product manuals