EasyManua.ls Logo

Texas Instruments CC3235 SimpleLink Series - 13.1 Overview; 13.2 Key Features; Architecture of the ADC Module in Cc32 Xx; Chapter 13

Texas Instruments CC3235 SimpleLink Series
799 pages
Print Icon
To Next Page IconTo Next Page
To Next Page IconTo Next Page
To Previous Page IconTo Previous Page
To Previous Page IconTo Previous Page
Loading...
Overview
www.ti.com
458
SWRU543January 2019
Submit Documentation Feedback
Copyright © 2019, Texas Instruments Incorporated
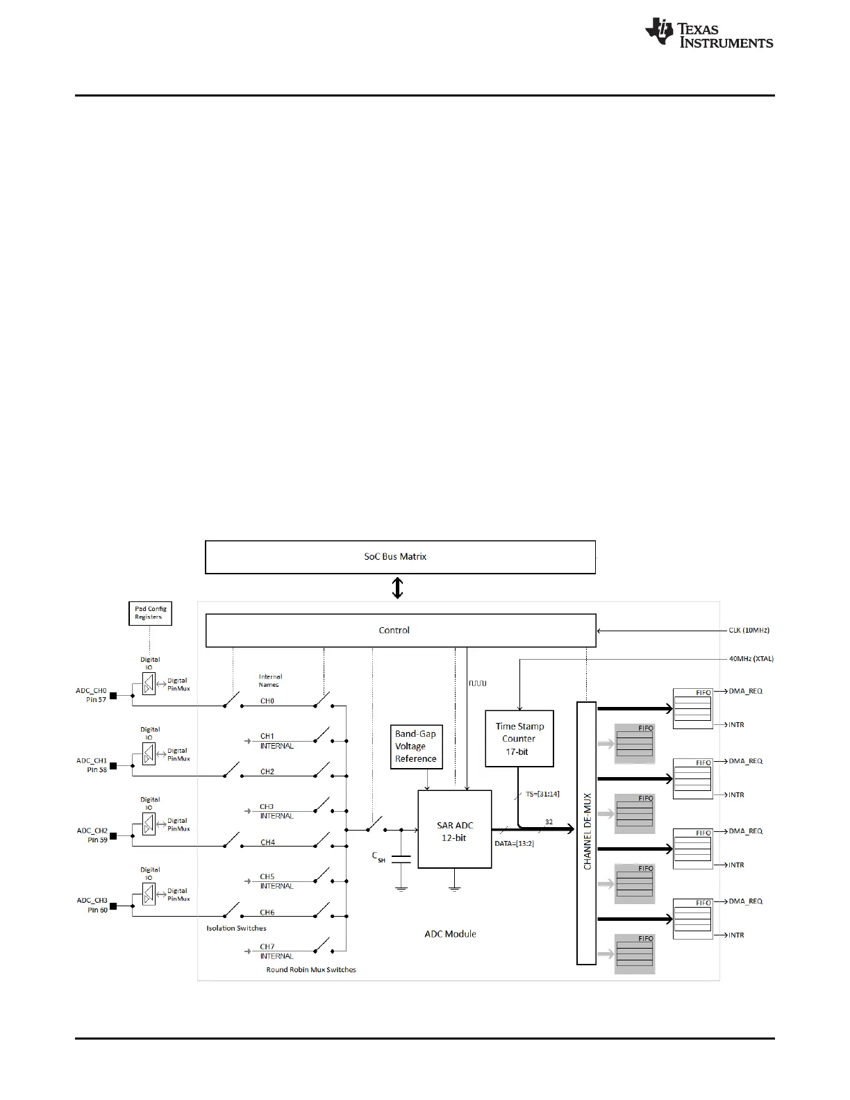
Analog-to-Digital Converter (ADC)
13.1 Overview
The CC32xx device provides a general-purpose, multichannel Analog-to-Digital Converter (ADC). Each
ADC channel supports 12-bit conversion resolution with sampling periodicity of 16 µS (62.5 Ksps/channel).
Each channel has an associated FIFO and DMA. For detailed electrical characteristics of the ADC, see
CC3135 SimpleLink™ Wi-Fi® and Internet-of-Things Solution for MCU Applications.
13.2 Key Features
Total of eight channels
Four external analog input channels for user applications
Four internal channels reserved for SimpleLink™ subsystem (network and Wi-Fi
®
).
12-bit resolution
Fixed sampling rate of 16 µs per channel. Equivalent to 62.5K samples/sec per channel
Fixed round-robin sampling across all channels
Samples are uniformly spaced and interleaved. Multiple user channels can be combined to realize
higher sampling rate. For example, all four channels can be shorted together to get an aggregate
sampling rate of 250K samples/sec.
DMA interface to transfer data to the application RAM; dedicated DMA channel for each channel
Capability to time-stamp ADC samples using 17-bit timer running on a 40-MHz clock. The user can
read the timestamp and the sample from the FIFO registers. Each sample in the FIFO contains actual
data and a timestamp.
Figure 13-1 shows the architecture of the ADC module in the CC32xx.
Figure 13-1. Architecture of the ADC Module in CC32xx

Table of Contents

Related product manuals