EasyManua.ls Logo

Siemens G130 - Fig. 3-184 8560 - Command Data Sets (CDS)

Siemens G130
1976 pages
Print Icon
To Next Page IconTo Next Page
To Next Page IconTo Next Page
To Previous Page IconTo Previous Page
To Previous Page IconTo Previous Page
Loading...
3 Function diagrams
3.21 Data sets
SINAMICS G130/G150
1306 List Manual (LH2), 07/2016, A5E03263479A
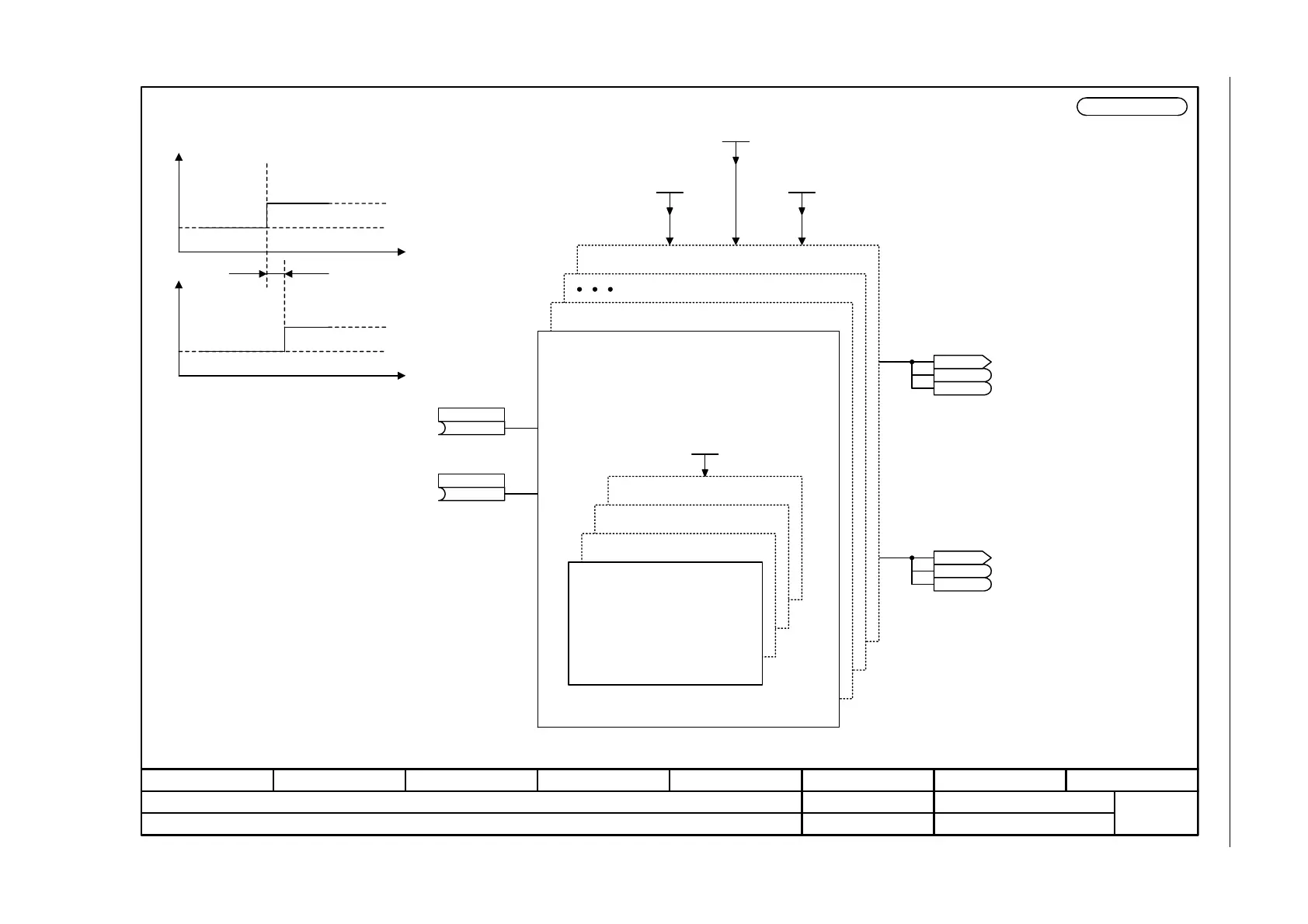
Fig. 3-184 8560 – Command Data Sets (CDS)
- 8560 -
Function diagram
87654321
fp_8560_54_eng.vsd
DO: SERVO, VECTOR
S120/S150/G130/G150
03.07.13 V04.08.00
Data sets - Command Data Sets (CDS)
Not relevant
Copy CDS, source
p0809[0] (0)
CDS selected
r0836.0
r0836
CDS effective
r0050.0
r0050
r0836.1
r0050.1
Copy CDS, target
p0809[1] (1)
Copy CDS, start
p0809[2] (0)
BI: p0810 = "0"
CDS0 selected
r0836.0 = 0
BI: p0810 = "1"
CDS1 selected
r0836.0 = 1
CDS0 effective
r0050.0 = 0
CDS1 effective
r0050.0 = 1
t
Example:
Change over Command Data Set
CDS0 --> CDS1
Drive n
Drive 2
Drive 1
<1>
CDS count
p0170 (1, 2)
<1> For SERVO, the following applies: Min / Max / Factory setting: 1 / 2 / 2
For VECTOR, the following applies: Min / Max / Factory setting: 2 / 4 / 2
(0)
CDS select, bit 0
p0810
(0)
CDS select, bit 1
p0811
CDS3
CDS2
CDS1
CDS0
t
t

Table of Contents

Related product manuals