EasyManua.ls Logo

Xerox DocuColor 12/DCCS50 - Page 1032

Xerox DocuColor 12/DCCS50
1617 pages
To Next Page IconTo Next Page
To Next Page IconTo Next Page
To Previous Page IconTo Previous Page
To Previous Page IconTo Previous Page
Loading...
1/05
7-182
DocuColor 12/DCCS50
Chain 10
Reissue
Wiring Data
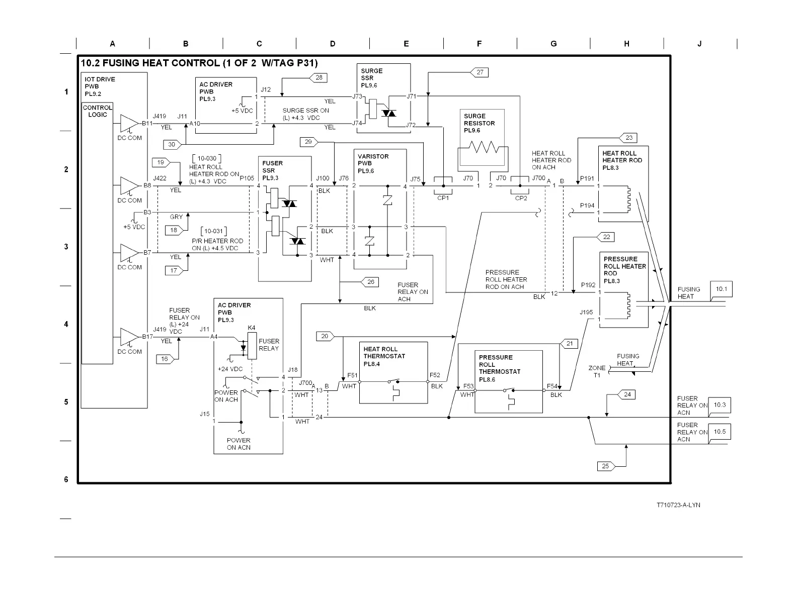
Figure 4 BSD 10.2 Fusing Heat Control (1 of 2 with Tag P31)
manuals4you.commanuals4you.com

Table of Contents

Related product manuals