EasyManua.ls Logo

Xerox DocuColor 12/DCCS50 - IOT Fans Simplified Block Diagram

Xerox DocuColor 12/DCCS50
1617 pages
Print Icon
To Next Page IconTo Next Page
To Next Page IconTo Next Page
To Previous Page IconTo Previous Page
To Previous Page IconTo Previous Page
Loading...
1/05
10-130
DocuColor 12/DCCS50
Air Flow
Reissue
Principles of Operation
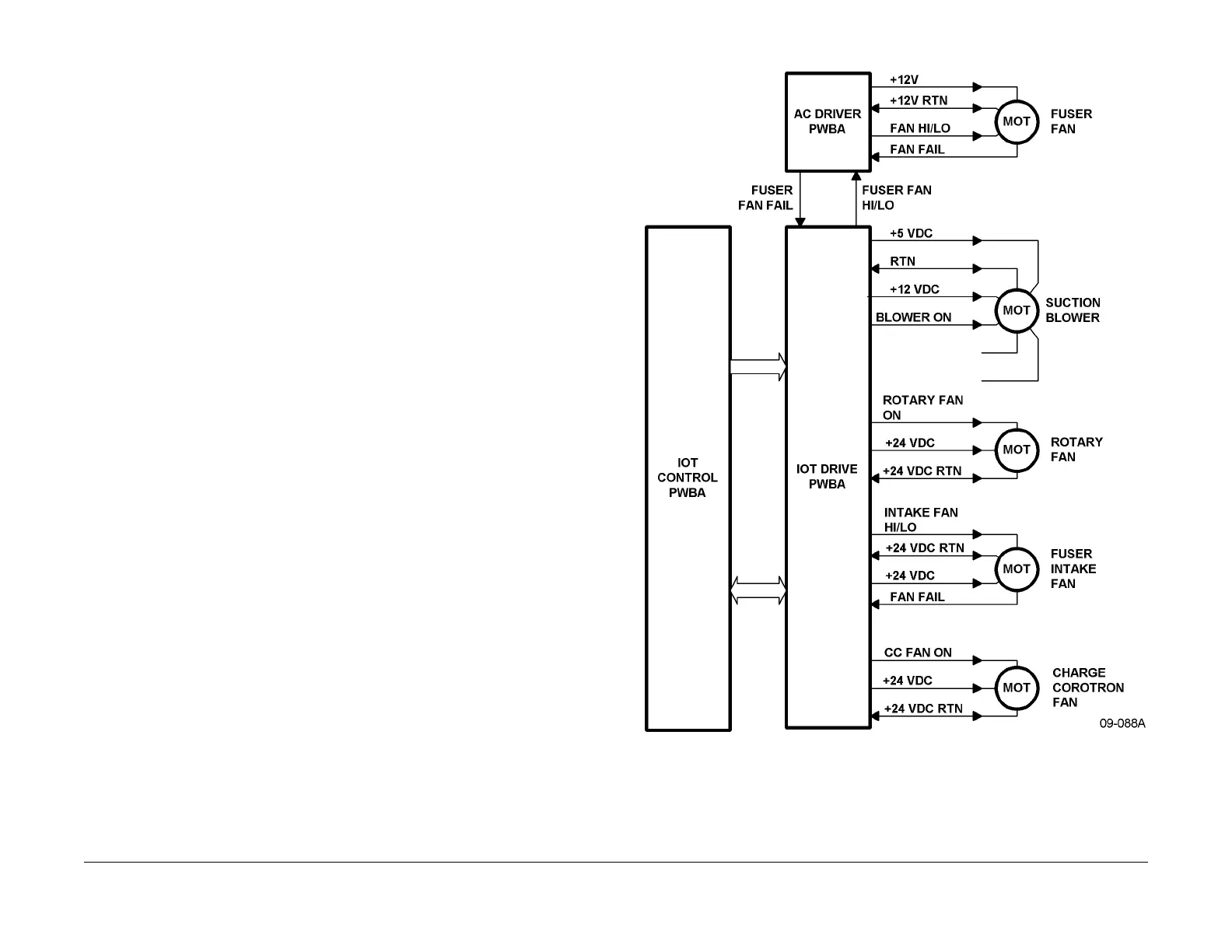
The Suction Blower, Rotary Fan, Fuser Intake Fan and Charge Corotron Fan are all controlled
by the IOT CPU and Drive PWBAs. +12 VDC, +24 VDC and +5 VDC power originates at the
IOT Low Voltage Power Supply, but is routed through the IOT Drive PWBA. Fan power is not
interlocked. Therefore, when machine doors are open, the fans still run.
Figure 1 IOT Fans Simplified Block Diagram
manuals4you.commanuals4you.com

Table of Contents

Related product manuals