EasyManua.ls Logo

Xerox DocuColor 12/DCCS50 - Page 1035

Xerox DocuColor 12/DCCS50
1617 pages
To Next Page IconTo Next Page
To Next Page IconTo Next Page
To Previous Page IconTo Previous Page
To Previous Page IconTo Previous Page
Loading...
1/05
7-185
DocuColor 12/DCCS50
Chain 10
Wiring Data
Reissue
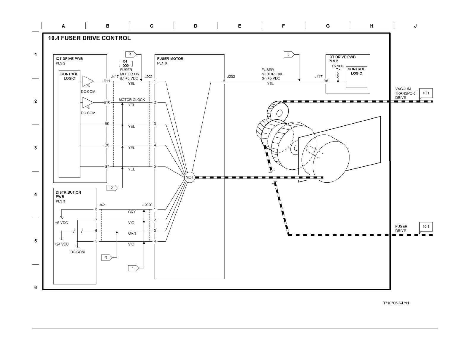
Figure 7 BSD 10.4 Fuser Drive Control

Table of Contents

Related product manuals