EasyManua.ls Logo

Xerox DocuColor 12/DCCS50 - Page 1040

Xerox DocuColor 12/DCCS50
1617 pages
To Next Page IconTo Next Page
To Next Page IconTo Next Page
To Previous Page IconTo Previous Page
To Previous Page IconTo Previous Page
Loading...
1/05
7-190
DocuColor 12/DCCS50
Chain 10
Reissue
Wiring Data
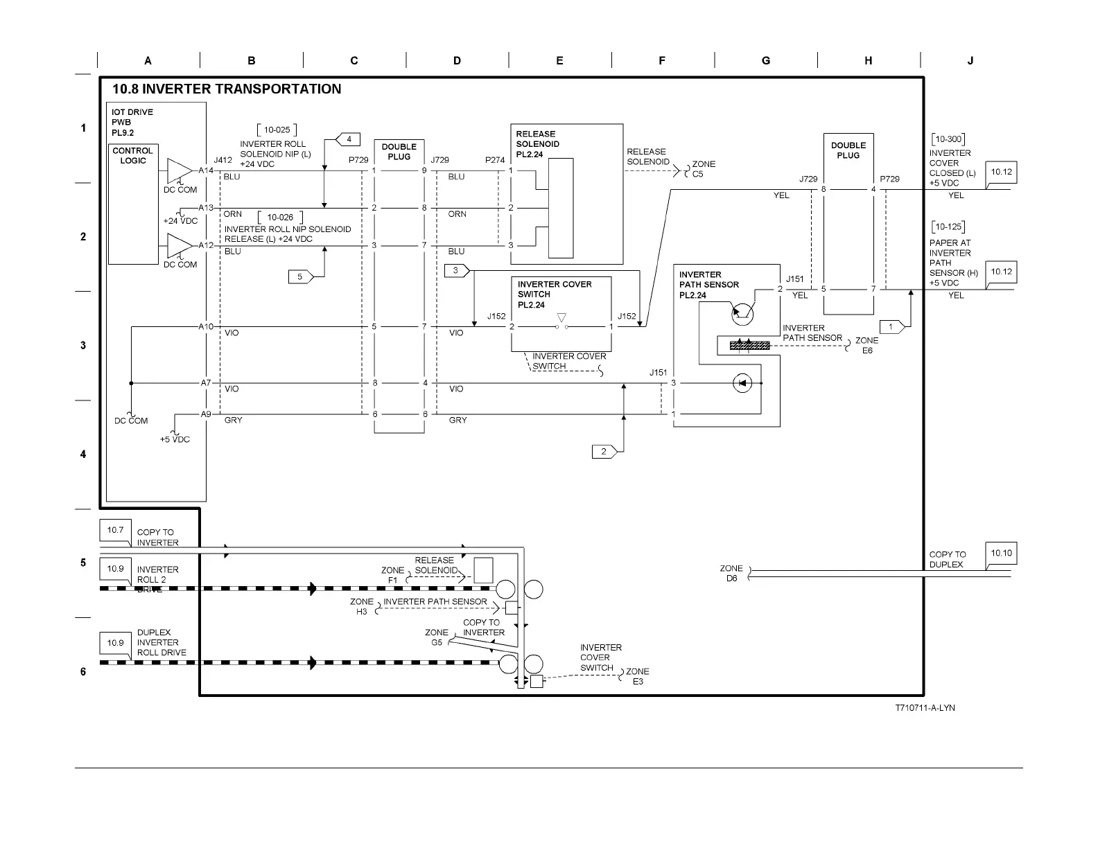
Figure 12 BSD 10.8 Inverter Transportation
manuals4you.commanuals4you.com

Table of Contents

Related product manuals