EasyManua.ls Logo

Xerox DocuColor 12/DCCS50 - Page 1138

Xerox DocuColor 12/DCCS50
1617 pages
Print Icon
To Next Page IconTo Next Page
To Next Page IconTo Next Page
To Previous Page IconTo Previous Page
To Previous Page IconTo Previous Page
Loading...
1/05
8c-14
DocuColor 12/DCCS50
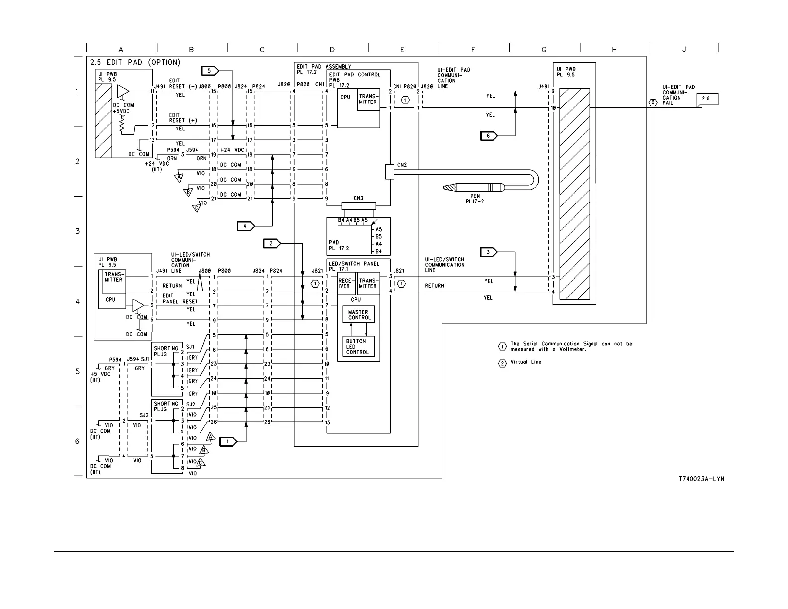
Edit Pad BSDs
Reissue
Edit Pad
Figure 1 BSD 2.5 Edit Pad
manuals4you.commanuals4you.com

Table of Contents

Related product manuals