EasyManua.ls Logo

Xerox DocuColor 12/DCCS50 - Page 1330

Xerox DocuColor 12/DCCS50
1617 pages
Print Icon
To Next Page IconTo Next Page
To Next Page IconTo Next Page
To Previous Page IconTo Previous Page
To Previous Page IconTo Previous Page
Loading...
1/05
8d-188
DocuColor 12/DCCS50
Finisher BSDs
Reissue
Finisher/Sorter
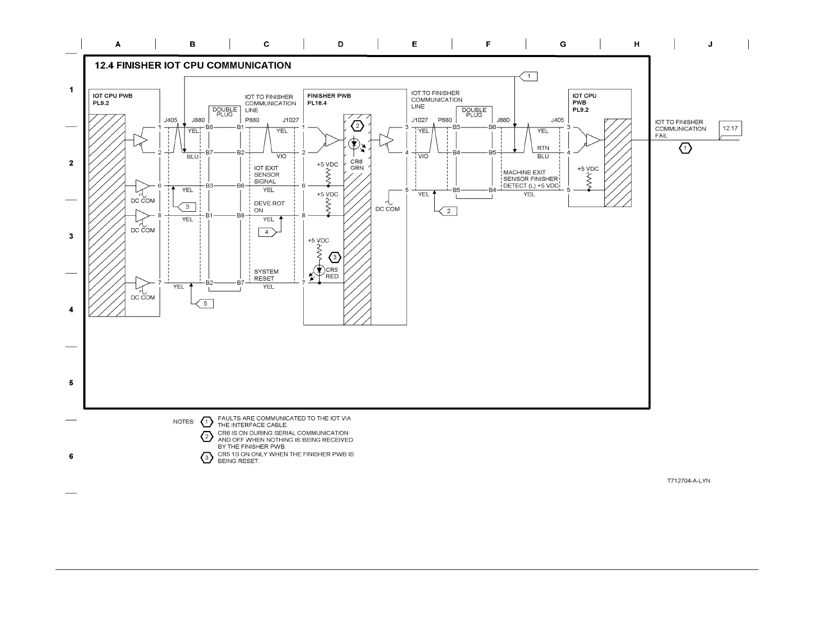
Figure 5 BSD 12.4 Finisher-IOT CPU Communication
manuals4you.commanuals4you.com

Table of Contents

Related product manuals