EasyManua.ls Logo

Xerox DocuColor 12/DCCS50 - Page 899

Xerox DocuColor 12/DCCS50
1617 pages
Print Icon
To Next Page IconTo Next Page
To Next Page IconTo Next Page
To Previous Page IconTo Previous Page
To Previous Page IconTo Previous Page
Loading...
1/05
7-49
DocuColor 12/DCCS50
+5VDC Wirenets
Wiring Data
Reissue
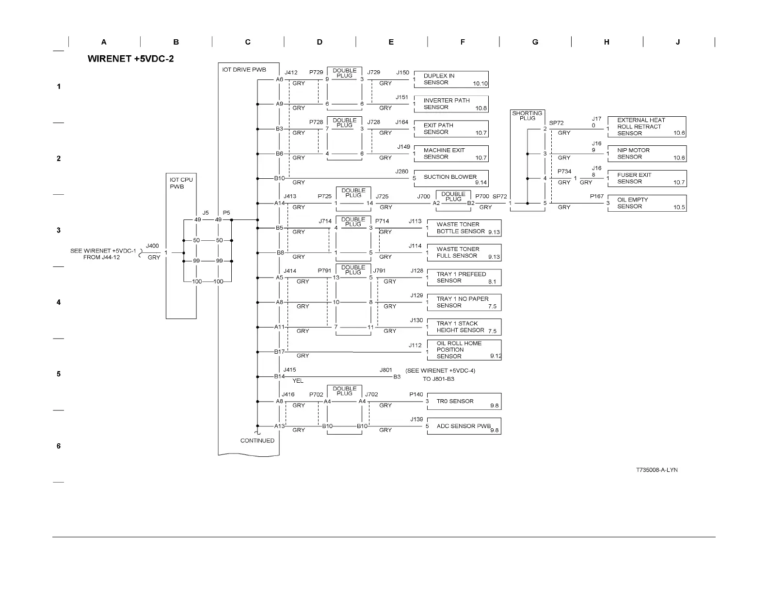
Figure 2 Wirenet +5VDC-2

Table of Contents

Related product manuals