EasyManua.ls Logo

Xerox DocuColor 12/DCCS50 - Page 901

Xerox DocuColor 12/DCCS50
1617 pages
Print Icon
To Next Page IconTo Next Page
To Next Page IconTo Next Page
To Previous Page IconTo Previous Page
To Previous Page IconTo Previous Page
Loading...
1/05
7-51
DocuColor 12/DCCS50
+5VDC Wirenets
Wiring Data
Reissue
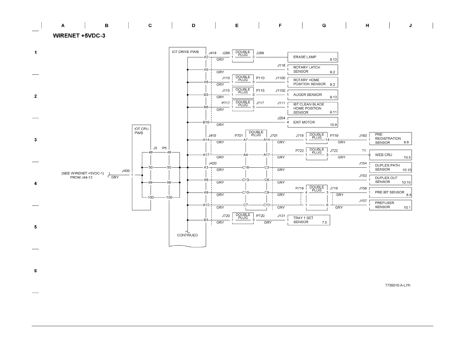
Figure 4 Wirenet +5VDC-3

Table of Contents

Related product manuals