EasyManua.ls Logo

Xerox DocuColor 12/DCCS50 - Page 904

Xerox DocuColor 12/DCCS50
1617 pages
Print Icon
To Next Page IconTo Next Page
To Next Page IconTo Next Page
To Previous Page IconTo Previous Page
To Previous Page IconTo Previous Page
Loading...
1/05
7-54
DocuColor 12/DCCS50
+5VDC Wirenets
Reissue
Wiring Data
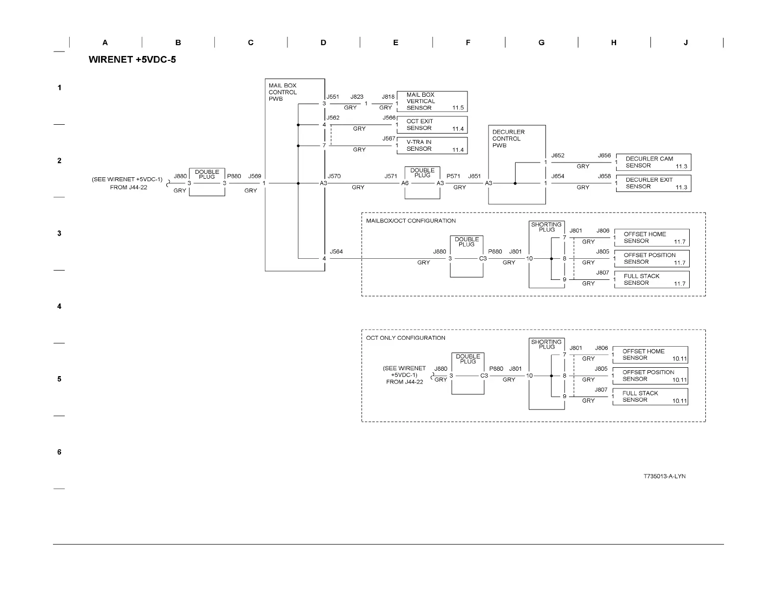
Figure 7 Wirenet +5VDC-5
manuals4you.commanuals4you.com

Table of Contents

Related product manuals