EasyManua.ls Logo

Xerox DocuColor 12/DCCS50 - Page 950

Xerox DocuColor 12/DCCS50
1617 pages
To Next Page IconTo Next Page
To Next Page IconTo Next Page
To Previous Page IconTo Previous Page
To Previous Page IconTo Previous Page
Loading...
1/05
7-100
DocuColor 12/DCCS50
Chain 03
Reissue
Wiring Data
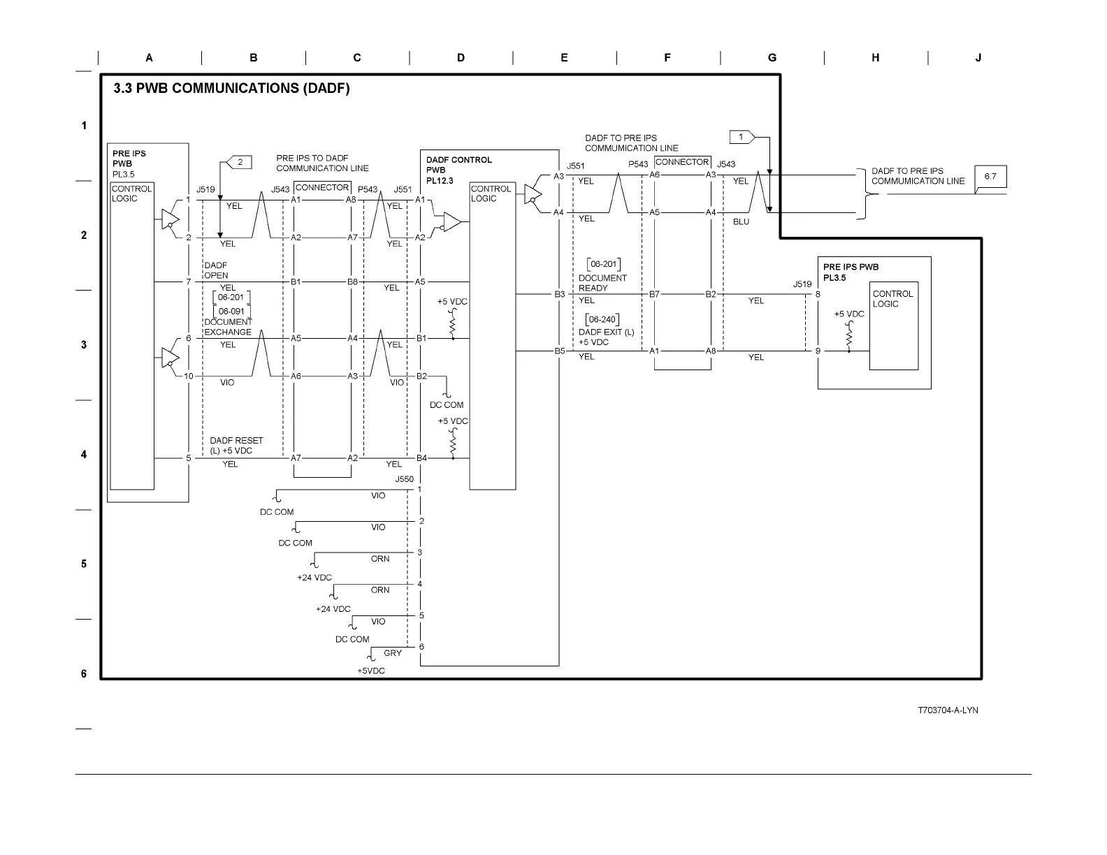
Figure 4 BSD 3.3 PWB Communications (DADF)
manuals4you.commanuals4you.com

Table of Contents

Related product manuals