EasyManua.ls Logo

Xerox DocuColor 12/DCCS50 - Page 953

Xerox DocuColor 12/DCCS50
1617 pages
Print Icon
To Next Page IconTo Next Page
To Next Page IconTo Next Page
To Previous Page IconTo Previous Page
To Previous Page IconTo Previous Page
Loading...
1/05
7-103
DocuColor 12/DCCS50
Chain 03
Wiring Data
Reissue
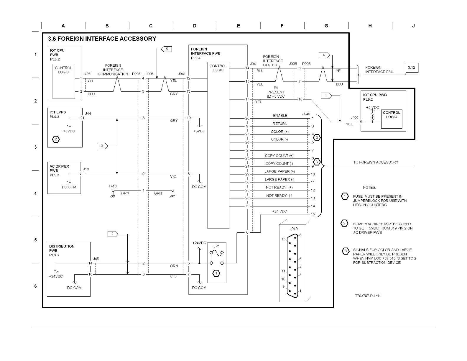
Figure 7 BSD 3.6 Foreign Interface

Table of Contents

Related product manuals