EasyManua.ls Logo

Xerox DocuColor 12/DCCS50 - Page 997

Xerox DocuColor 12/DCCS50
1617 pages
Print Icon
To Next Page IconTo Next Page
To Next Page IconTo Next Page
To Previous Page IconTo Previous Page
To Previous Page IconTo Previous Page
Loading...
1/05
7-147
DocuColor 12/DCCS50
Chain 08
Wiring Data
Reissue
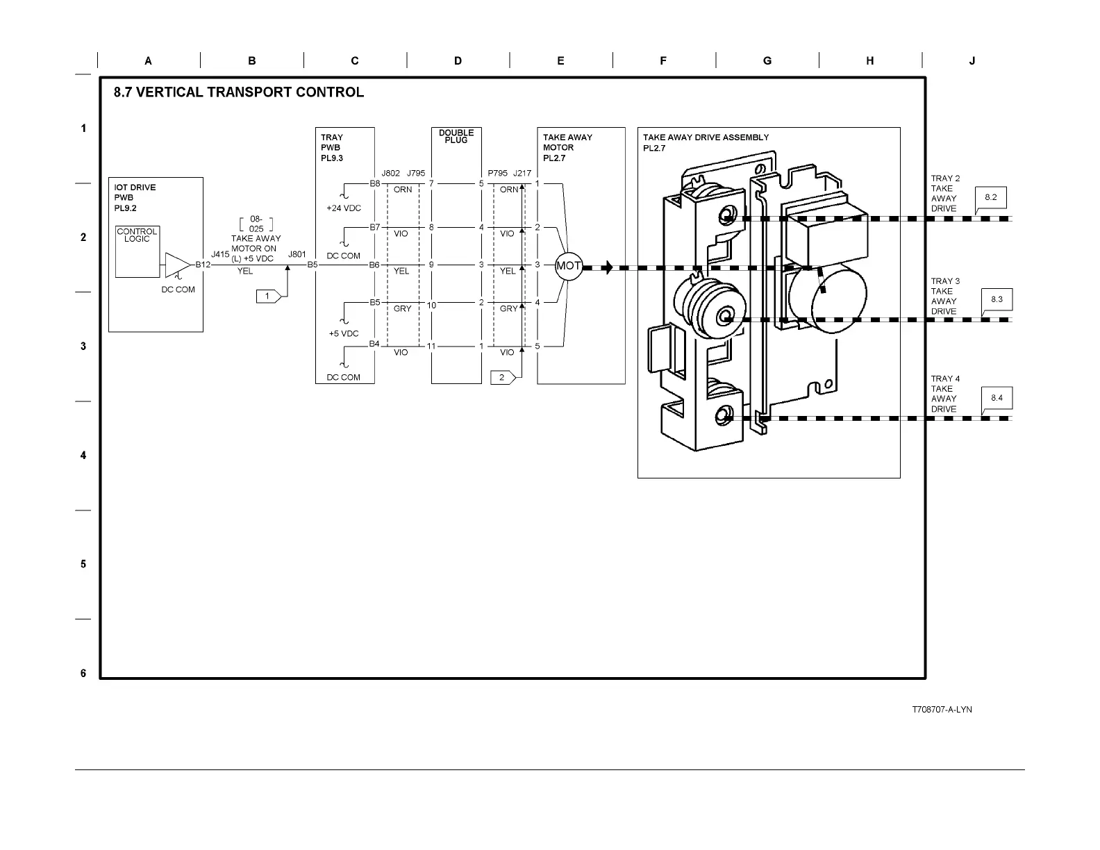
Figure 7 BSD 8.7 Vertical Transport Control

Table of Contents

Related product manuals