EasyManua.ls Logo

Xerox DocuColor 12/DCCS50 - Page 999

Xerox DocuColor 12/DCCS50
1617 pages
To Next Page IconTo Next Page
To Next Page IconTo Next Page
To Previous Page IconTo Previous Page
To Previous Page IconTo Previous Page
Loading...
1/05
7-149
DocuColor 12/DCCS50
Chain 08
Wiring Data
Reissue
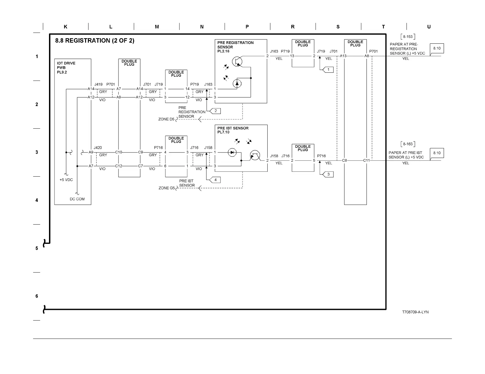
Figure 9 BSD 8.8 Registration (2 of 2)

Table of Contents

Related product manuals