EasyManua.ls Logo

Xerox DocuColor 12/DCCS50 - Page 922

Xerox DocuColor 12/DCCS50
1617 pages
Print Icon
To Next Page IconTo Next Page
To Next Page IconTo Next Page
To Previous Page IconTo Previous Page
To Previous Page IconTo Previous Page
Loading...
1/05
7-72
DocuColor 12/DCCS50
+24VDC Wirenets
Reissue
Wiring Data
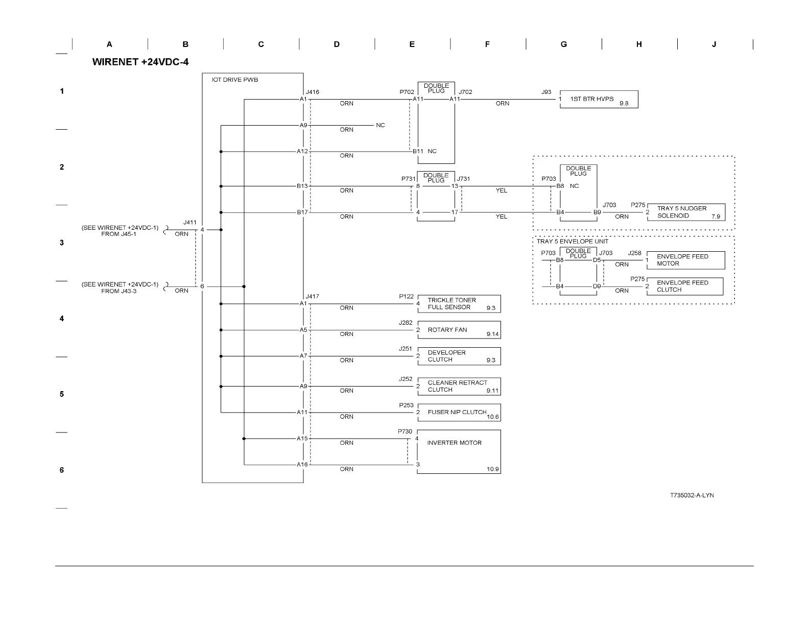
Figure 4 Wirenet +24VDC-4
manuals4you.commanuals4you.com

Table of Contents

Related product manuals