EasyManua.ls Logo

Xerox DocuColor 12/DCCS50 - Page 923

Xerox DocuColor 12/DCCS50
1617 pages
To Next Page IconTo Next Page
To Next Page IconTo Next Page
To Previous Page IconTo Previous Page
To Previous Page IconTo Previous Page
Loading...
1/05
7-73
DocuColor 12/DCCS50
+24VDC Wirenets
Wiring Data
Reissue
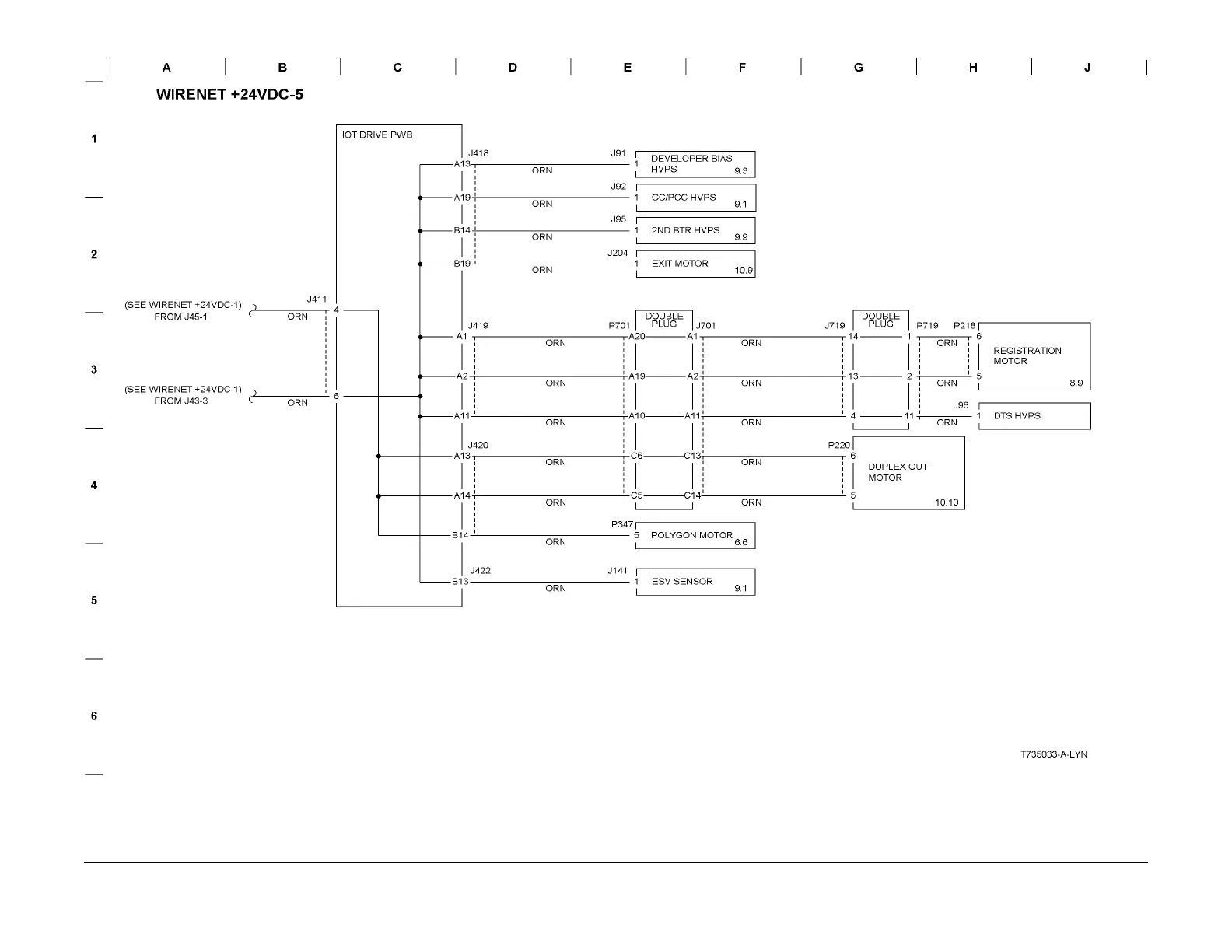
Figure 5 Wirenet +24VDC-5

Table of Contents

Related product manuals