EasyManua.ls Logo

Xerox DocuColor 12/DCCS50 - Page 983

Xerox DocuColor 12/DCCS50
1617 pages
Print Icon
To Next Page IconTo Next Page
To Next Page IconTo Next Page
To Previous Page IconTo Previous Page
To Previous Page IconTo Previous Page
Loading...
1/05
7-133
DocuColor 12/DCCS50
Chain 07
Wiring Data
Reissue
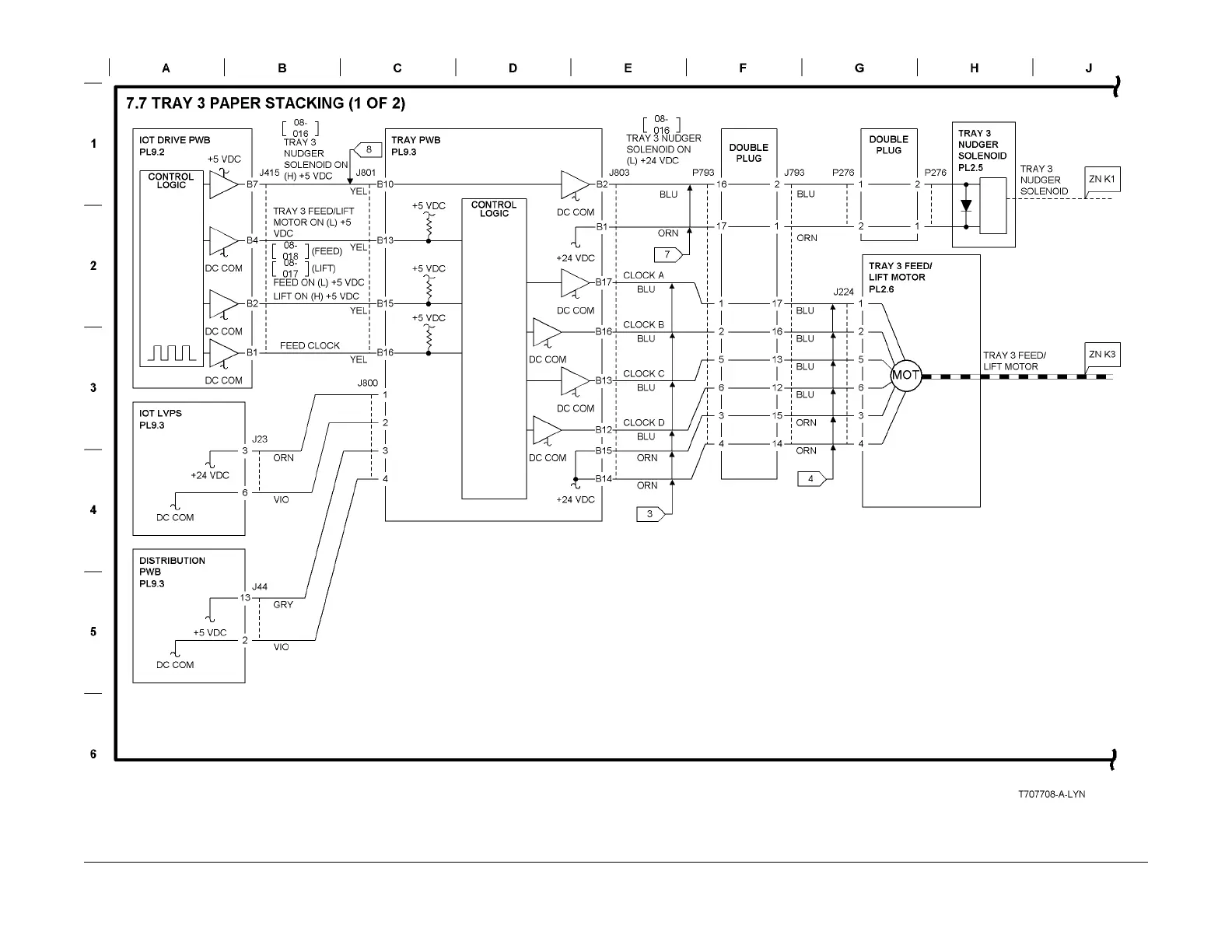
Figure 9 BSD 7.7 Tray 3 Paper Stacking (1 of 2)

Table of Contents

Related product manuals