EasyManua.ls Logo

Xerox DocuColor 12/DCCS50 - Page 984

Xerox DocuColor 12/DCCS50
1617 pages
Print Icon
To Next Page IconTo Next Page
To Next Page IconTo Next Page
To Previous Page IconTo Previous Page
To Previous Page IconTo Previous Page
Loading...
1/05
7-134
DocuColor 12/DCCS50
Chain 07
Reissue
Wiring Data
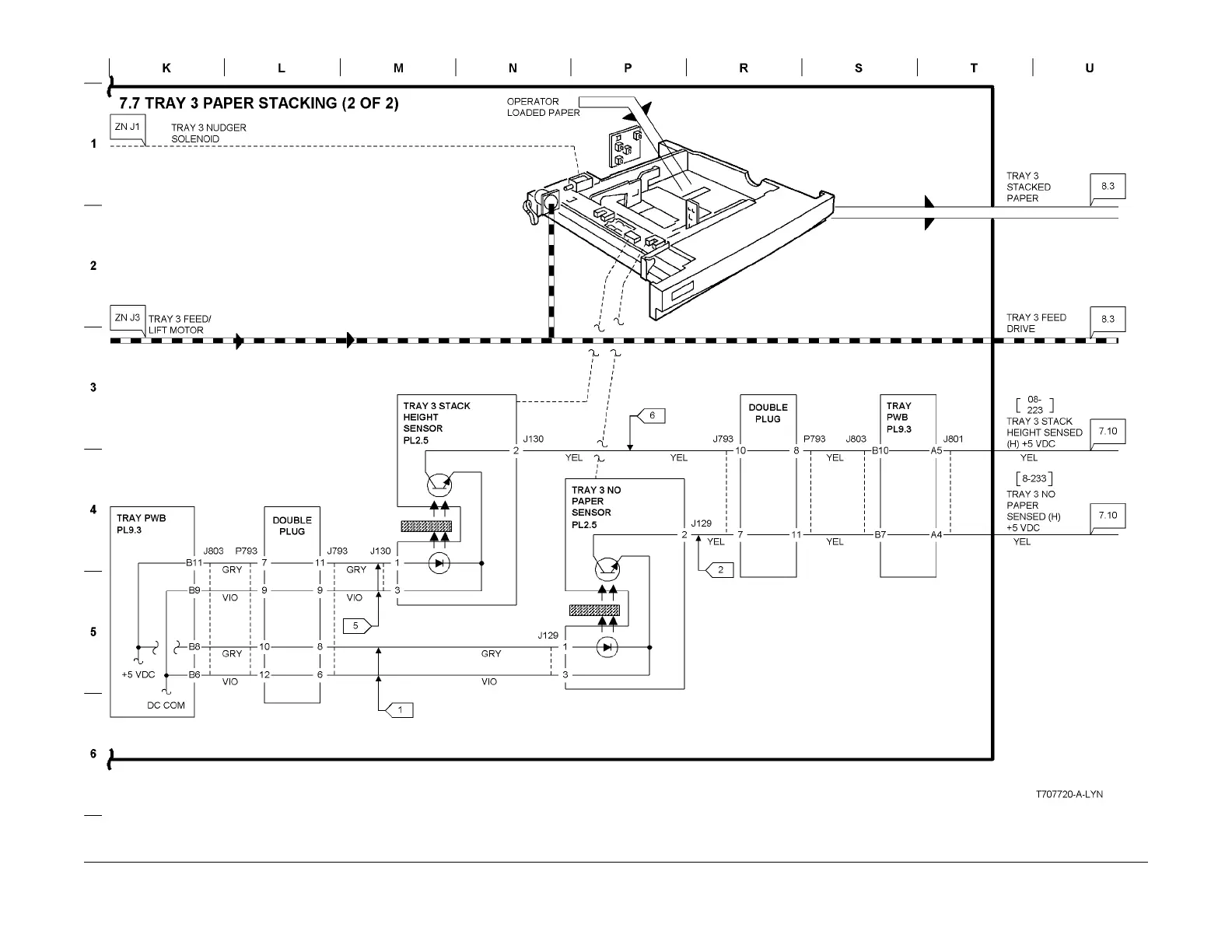
Figure 10 BSD 7.7 Tray 3 Paper Stacking (2 of 2)
manuals4you.commanuals4you.com

Table of Contents

Related product manuals