EasyManua.ls Logo

Xerox DocuColor 12/DCCS50 - Page 992

Xerox DocuColor 12/DCCS50
1617 pages
Print Icon
To Next Page IconTo Next Page
To Next Page IconTo Next Page
To Previous Page IconTo Previous Page
To Previous Page IconTo Previous Page
Loading...
1/05
7-142
DocuColor 12/DCCS50
Chain 08
Reissue
Wiring Data
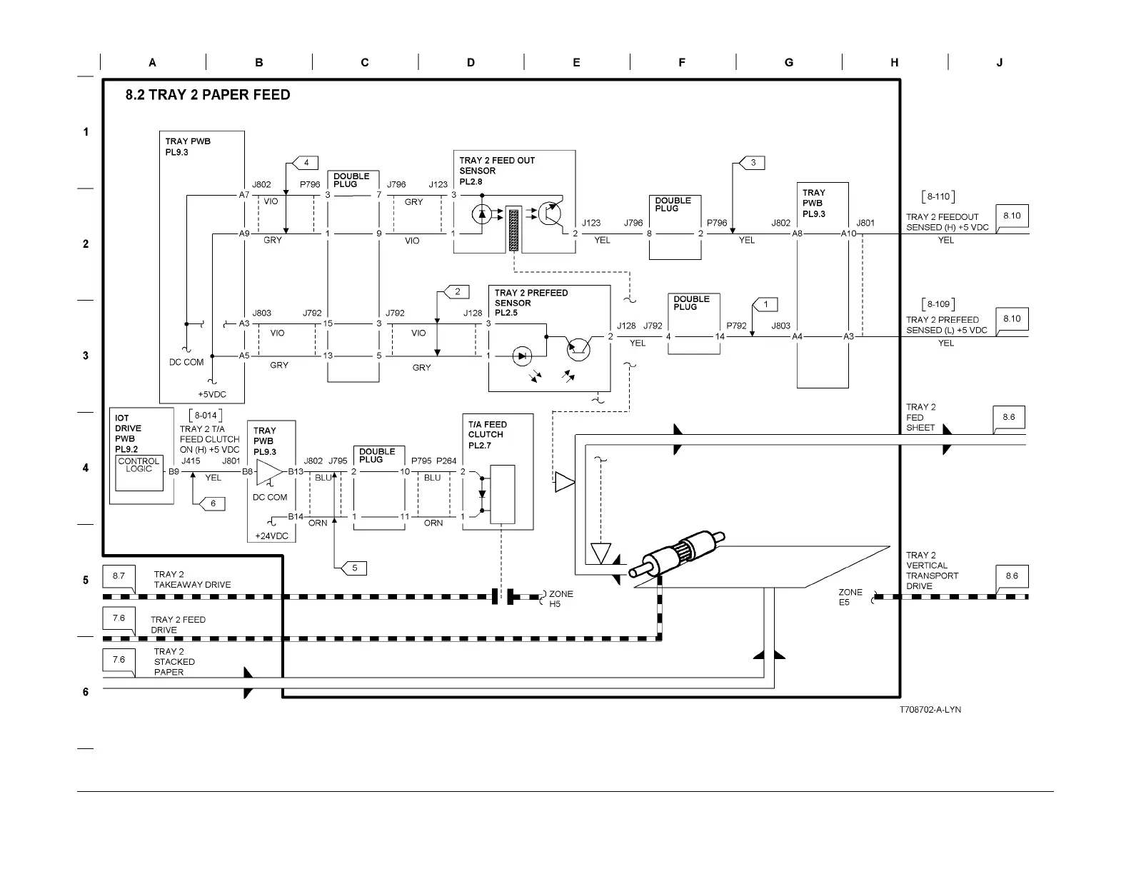
Figure 2 BSD 8.2 Tray 2 Paper Feed
manuals4you.commanuals4you.com

Table of Contents

Related product manuals