EasyManua.ls Logo

Xerox DocuColor 12/DCCS50 - Page 993

Xerox DocuColor 12/DCCS50
1617 pages
Print Icon
To Next Page IconTo Next Page
To Next Page IconTo Next Page
To Previous Page IconTo Previous Page
To Previous Page IconTo Previous Page
Loading...
1/05
7-143
DocuColor 12/DCCS50
Chain 08
Wiring Data
Reissue
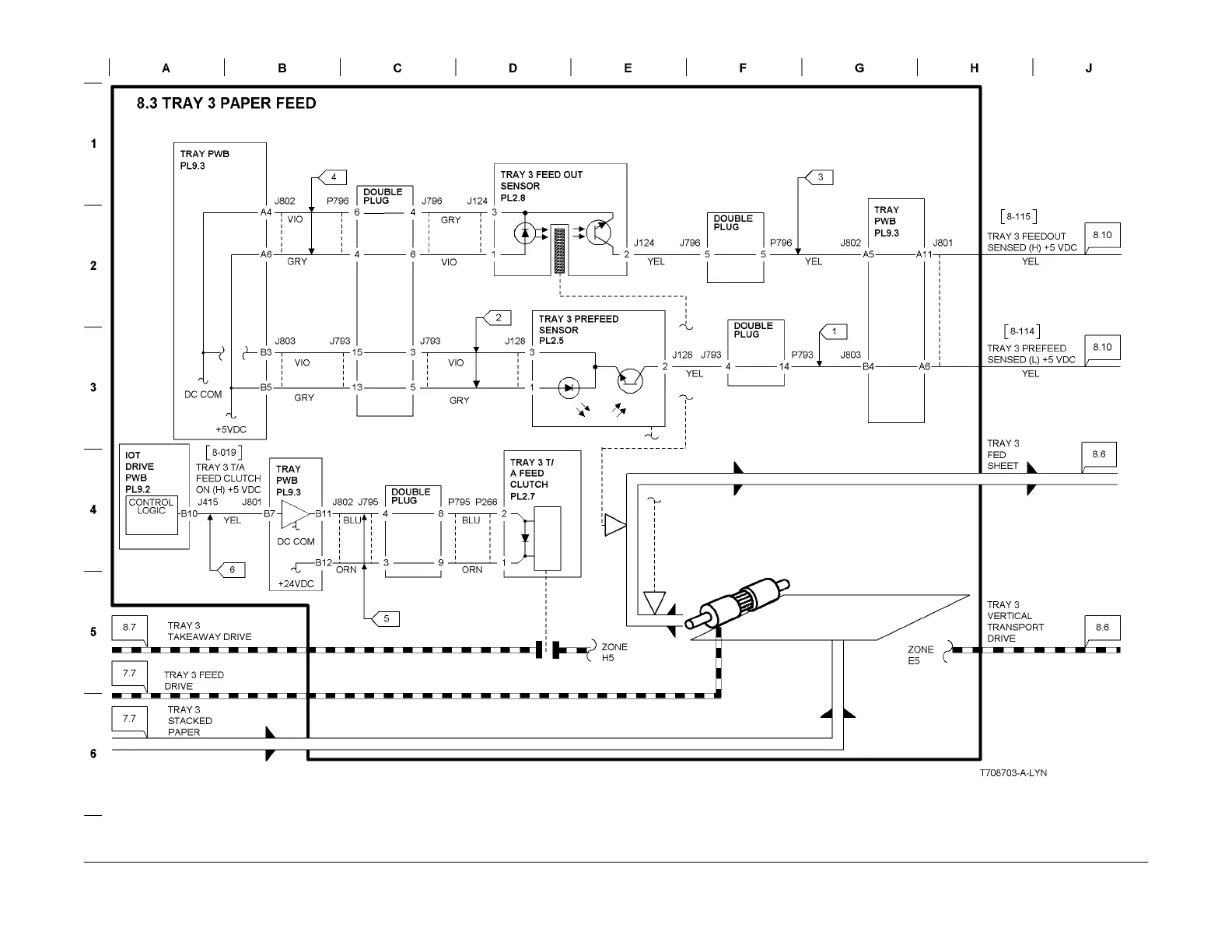
Figure 3 BSD 8.3 Tray 3 Paper Feed

Table of Contents

Related product manuals