EasyManua.ls Logo

ST SPC560P34 - Figure 334. PWM Submodule Block Diagram

ST SPC560P34
936 pages
Print Icon
To Next Page IconTo Next Page
To Next Page IconTo Next Page
To Previous Page IconTo Previous Page
To Previous Page IconTo Previous Page
Loading...
FlexPWM RM0046
646/936 Doc ID 16912 Rev 5
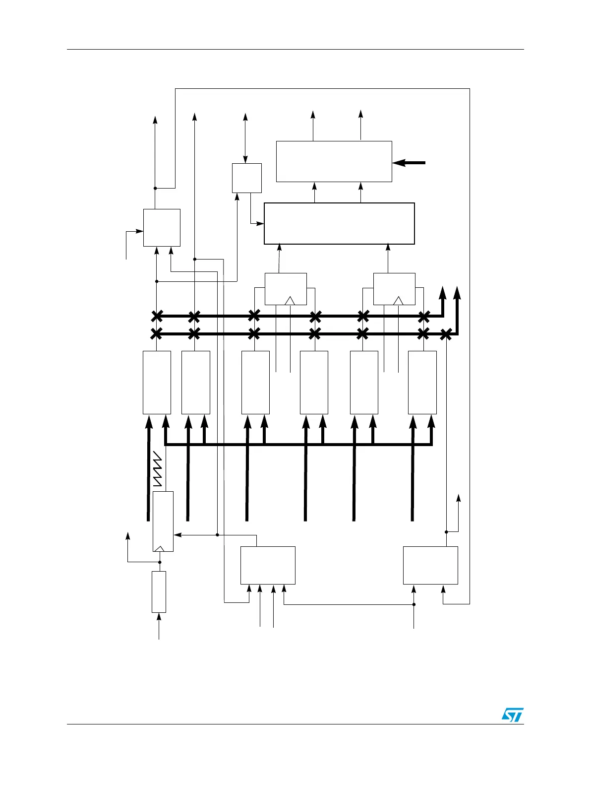
25.4.2 PWM submodule
Figure 334. PWM submodule block diagram
16-bit
comparator
16-bit
comparator
16-bit
comparator
16-bit
comparator
D
S
R
Q
Init Value
Initialize
PWM on
PWM off
16-bit
comparator
16-bit
comparator
D
S
R
Q
Init Value
Initialize
PWM on
PWM off
Compare 0 value
Compare 1 value
Compare 2 value
Compare 3 value
Compare 4 value
Compare 5 value
Comp.
vs
Indep.
Dead
Time
Generator
Fault
protection
Output
override
control
PWMA
PWMB
Fault inputs
from module bus
Output Triggers
Interrupts
16-bit counter
Prescaler
Clock
Master Sync
(submodule 0 only)
Master Reload
(submodule 0 only)
Reload
Logic
LDOK
Mid-cycle reload
Modulo counter value
Preload
Counter
preload
mux
Pin
Mux
PWMX
Master Sync
Master
Reload
register reloads
PWMA
PWMB
Mux
Select
Logic
Aux Clock (submodule 0 only)
External Sync
Register
reload
mux

Table of Contents

Related product manuals