EasyManua.ls Logo

ST SPC560P34 - Figure 373. Force out Logic; Independent or Complementary Channel Operation

ST SPC560P34
936 pages
Print Icon
To Next Page IconTo Next Page
To Next Page IconTo Next Page
To Previous Page IconTo Previous Page
To Previous Page IconTo Previous Page
Loading...
FlexPWM RM0046
688/936 Doc ID 16912 Rev 5
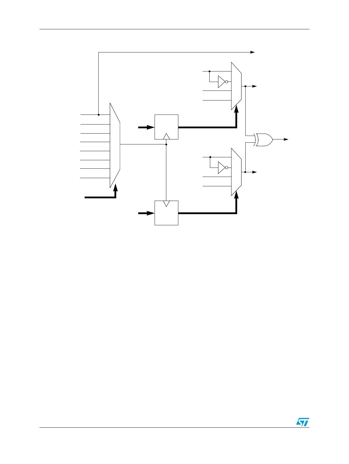
Figure 373. Force out logic
The local Force signal of submodule 0 can be broadcast as the Master Force signal to other
submodules. This feature allows the local FORCE bit of submodule 0 to synchronously
update all of the submodule outputs at the same time. The EXT_FORCE signal originates
from outside the PWM module from a source such as a timer or digital comparators in the
analog-to-digital converter.
25.8.7 Independent or complementary channel operation
Writing a logic one to the INDEP bit of the CNFG register configures the pair of PWM
outputs as two independent PWM channels. Each PWM output is controlled by its own VALx
pair operating independently of the other output.
Writing a logic zero to the INDEP bit configures the PWM output as a pair of complementary
channels. The PWM pins are paired as shown in Figure 374 in complementary channel
operation. The IPOL bit determines which signal is connected to the output pin (PWMA or
PWMB).
0
1
2
3
4
5
6
7
OUTB
PWMB
to Deadtime
logic
DQ
SELB
Local Force
Master Force
EXT_FORCE
Reserved
FORCE_SEL
OUTA
PWMA
DQ
Master Force
(from submod0
only)
FORCE_OUT
PWMA
PWMB
from generation h/w
from generation h/w
SELA
DBLPWM
3
2
0
1
Local Reload
Local Sync
Master Reload
Master Sync
0
1
2
3

Table of Contents

Related product manuals