EasyManua.ls Logo

ST SPC560P34 - Figure 390. Etimer Block Diagram; Module Block Diagram

ST SPC560P34
936 pages
Print Icon
To Next Page IconTo Next Page
To Next Page IconTo Next Page
To Previous Page IconTo Previous Page
To Previous Page IconTo Previous Page
Loading...
RM0046 eTimer
Doc ID 16912 Rev 5 705/936
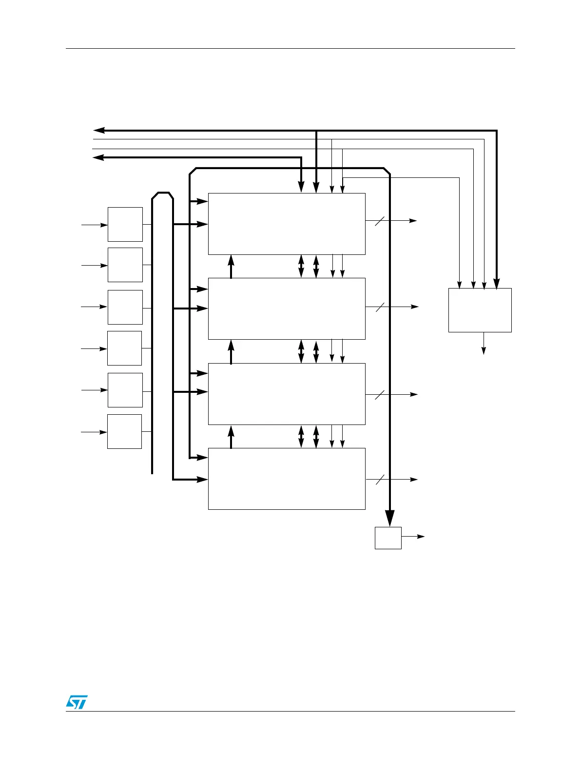
26.3 Module block diagram
The eTimer block diagram is shown in Figure 390.
Figure 390. eTimer block diagram
Watchdog
Timer
Channel 0
Channel n
Channel 1
Channel 2
Filter
Filter
Filter
=1
Error signal
OFLAG 0
OFLAG 1
OFLAG 2
OFLAG n
WDF
Count
IPBus
Clock
Reset
DMA
Inp 0
Inp 2
Inp 1
Filter
Aux Inp 0
Filter
Aux Inp 1
Filter
Aux Inp 2

Table of Contents

Related product manuals